0
MAX216
  • MAX216

MAX216

PRODUCTION

Low-Power, AppleTalk™ Interface Transceiver

Analog Devices MAX216 Product Info

10 February 2026 9

Features

  • Differential Driver/Receiver Compatible with RS-422
  • Single-Ended Driver/Receiver Compatible with EIA/TIA-562 and EIA/TIA-232E
  • Low, 3mA Max Operational Supply Current
  • Low, 30μA Shutdown-Mode Supply Current

Part details & applications

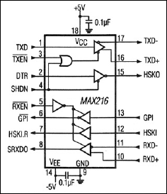
The MAX216 transceiver is designed specifically for communicating with AppleTalk™ interfaces. The MAX216 has one differential and one single-ended driver, plus one differential and two single-ended receivers, all of which meet the Apple Talk transceiver specifications.

The single-ended and differential drivers have a ±SV output voltage range when they are active, and have thermal shutdown protection against short circuits. The drivers remain in a high-impedance state when disabled or shut down.

One single-ended receiver is configured as an inverter, and the other is configured as a buffer. The input thresholds of the single-ended receivers are TTL-compatible, but the input voltages can vary between ±7V. The input thresholds of the differential receiver are ±200mV, and have a common-mode range of ±7V.

The MAX216 uses only 3mA max when fully operational. The drivers and receivers are disabled during shutdown mode, when the quiescent current is reduced to only 30μA

APPLICATIONS

  • AppleTalk Interfaces
  • Apple Printer Interfaces
  • Apple Peripheral Interface
  • EIA/TlA-232/562 to RS-422 Conversion

Subscribe to Welllinkchips !
Your Name
* Email
Submit a request