0
MAX6892
  • MAX6892

MAX6892

PRODUCTION

Pin-Selectable, Octal/Hex/Quad, Power-Supply Sequencers/Supervisors

Analog Devices MAX6892 Product Info

10 February 2026 15

Features

  • Pin-Selectable or User-Adjustable Voltage Detector Thresholds
  • Dedicated Active-Low RESET and Active-Low WDO Outputs
  • Capacitor-Adjustable Reset and Watchdog Timeout Periods
  • Factory-Default Reset and Watchdog Timeout Periods
  • Up to Eight Independent, Open-Drain Power-Good Outputs
  • Enable Margining Disable and Manual Reset Controls
  • -40°C to +85°C Operating Temperature Range
  • Small 5mm x 5mm Thin QFN Package
  • Few External Components
  • ±1% Threshold Accuracy

Part details & applications

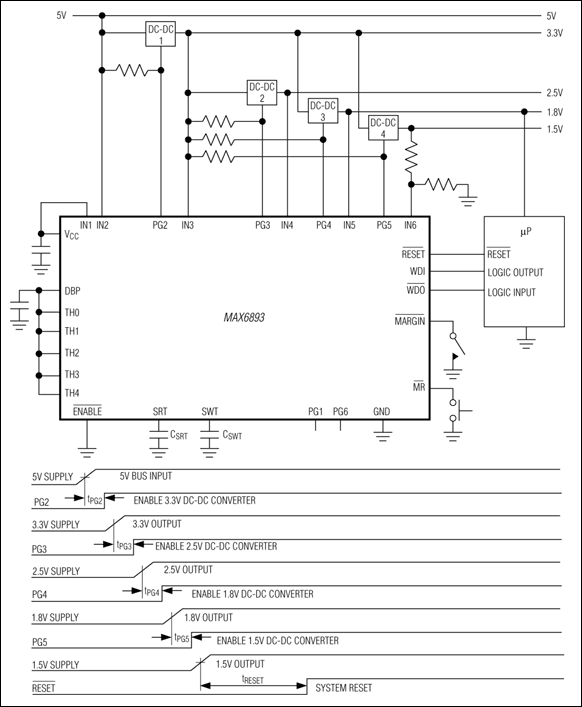
The MAX6892/MAX6893/MAX6894 pin-selectable, multivoltage supply sequencers/supervisors monitor several voltage-detector inputs and one watchdog input, asserting the respective voltage detector or watchdog output when the inputs drop below the configured voltage thresholds or the watchdog timer expires. The MAX6892 features eight voltage detector inputs and 10 outputs. The MAX6893 features six voltage-detector inputs and eight outputs, while the MAX6894 features four voltage detector inputs and six outputs. An active-low RESET output ensures all monitored inputs are above the set thresholds. The voltage detector outputs are configured as open drain. Manual reset and margin disable inputs offer additional flexibility.

The thresholds of the MAX6892/MAX6893/MAX6894 are selected through five logic inputs (TH0–TH4). The logic on these five inputs selects the supply voltage tolerance (5% or 10%) and one of 32 factory-set thresholds settings. Watchdog and reset timeout periods can use factory default settings or are independently adjustable by connecting external capacitors.

When any of the monitored voltages falls below its threshold, the respective output asserts and remains asserted for 6.25ms (typ) after the monitored voltage exceeds the threshold. The outputs can be connected to the shutdown or enable inputs of DC-DC regulators to provide turn-on power sequencing to ensure proper system initialization.

The MAX6892 is available in a 5mm x 5mm x 0.8mm, 32-pin, Thin QFN package, while the MAX6893/MAX6894 are available in a 5mm x 5mm x 0.8mm, 28-pin, Thin QFN package. The MAX6892/MAX6893/MAX6894 are specified to operate over the extended temperature range (-40°C to +85°C).

Applications

  • Multimicroprocessor/Voltage Systems
  • Networking Systems
  • Servers and Workstations
  • Storage Equipment
  • Telecommunication/Cent

Subscribe to Welllinkchips !
Your Name
* Email
Submit a request