0
MAX6889
  • MAX6889

MAX6889

PRODUCTION

EEPROM-Programmable, Octal/Hex/Quad, Power-Supply Sequencers/Supervisors

Analog Devices MAX6889 Product Info

10 February 2026 10

Features

  • Eight (MAX6889), Six (MAX6890), or Four (MAX6891) Configurable Input Voltage Detectors
    • High-Voltage Input (1.25V to 7.625V or 2.5V to 13.2V)
    • Six (MAX6889), Five (MAX6890), or Three (MAX6891) Voltage Inputs (0.5V to 3.05V or 1V to 5.5V)
    • Additional (MAX6889) High-Voltage Input (1.25V to 7.625V or 2.5V to 15.25V)
  • Four (MAX6889/MAX6890) or Three (MAX6891) General-Purpose Logic Inputs
  • Configurable Watchdog Timer
  • Ten (MAX6889), Eight (MAX6890), or Five (MAX6891) Programmable Outputs
    • Active-High, Active-Low, Open Drain, Weak Pullup
    • Timing Delays from 25µs to 1600ms
  • Margining Disable and Manual Reset Controls
  • 512-Bit Internal User EEPROM
    • Endurance: 100,000 Erase/Write Cycles
    • Data Retention: 10 Years
  • I²C/SMBus-Compatible Serial Configuration/Communication Interface
  • ±1% Threshold Accuracy

Part details & applications

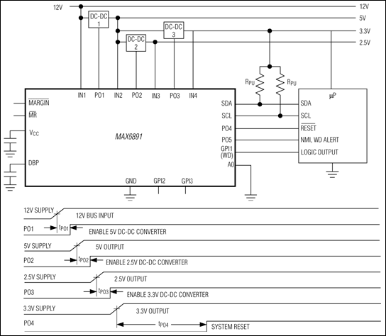
The MAX6889/MAX6890/MAX6891 EEPROM-configurable, multivoltage supply sequencers/supervisors monitor several voltage detector inputs and general-purpose logic inputs and feature programmable outputs for highly configurable power-supply sequencing applications. The MAX6889 features eight voltage detector inputs and ten programmable outputs. The MAX6890 features six voltage detector inputs and eight programmable outputs, while the MAX6891 features four voltage detector inputs and five programmable outputs. Manual reset and margin disable inputs offer additional flexibility.

All voltage detectors offer a configurable threshold for undervoltage detection. High-voltage input IN1 monitors voltages from 2.5V to 13.2V in 50mV increments, or from 1.25V to 7.625V in 25mV increments. Inputs IN2–IN7 monitor voltages from 1V to 5.5V in 20mV increments or from 0.5V to 3.05V in 10mV increments. High-voltage input IN8 monitors voltages from 2.5V to 15.25V in 50mV increments, or from 1.25V to 7.625V in 25mV increments. Programmable output stages control power-supply sequencing or system resets/interrupts. Programmable output options include: active-high, active-low, open drain, and weak pullup. Programmable timing delay blocks configure each output to wait between 25µs and 1600ms before deasserting.

The MAX6889/MAX6890/MAX6891 feature a watchdog timer for added flexibility. Program the watchdog timer to assert one or more programmable outputs. The initial and normal watchdog timeout periods are independently programmable from 6.25ms to 102.4s.

An SMBus™/I2C-compatible, 2-wire serial data interface programs and communicates with the configuration EEPROM, the configuration registers, and the internal 512-bit user EEPROM.

Subscribe to Welllinkchips !
Your Name
* Email
Submit a request