0
LTC2452
  • LTC2452
  • LTC2452
  • LTC2452
  • LTC2452

LTC2452

PRODUCTION

Ultra-Tiny, Differential, 16-Bit ΔΣ ADC with SPI Interface

Analog Devices LTC2452 Product Info

10 February 2026 6

Features

  • ±VCC Differential Input Range
  • 16-Bit Resolution (Including Sign), No Missing Codes
  • 2LSB Offset Error
  • 4LSB Full-Scale Error
  • 60 Conversions Per Second
  • Single Conversion Settling Time for Multiplexed Applications
  • Single-Cycle Operation with Auto Shutdown
  • 800μA Supply Current
  • 0.2μA Sleep Current
  • Internal Oscillator—No External Components Required
  • SPI Interface
  • Ultra-Tiny 3mm × 2mm DFN and TSOT-23 Packages

Part details & applications

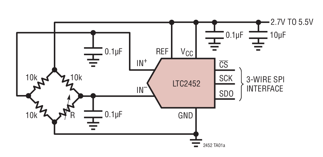
The LTC2452 is an ultra-tiny, fully differential, 16-bit, analog-to-digital converter. The LTC2452 uses a single 2.7V to 5.5V supply and communicates through an SPI interface. The ADC is available in an 8-pin, 3mm × 2mm DFN package or TSOT-23 package. It includes an integrated oscillator that does not require any external components. It uses a delta-sigma modulator as a converter core and has no latency for multiplexed applications. The LTC2452 includes a proprietary input sampling scheme that reduces the average input sampling current several orders of magnitude when compared to conventional delta-sigma converters. Additionally, due to its architecture, there is negligible current leakage between the input pins.

The LTC2452 can sample at 60 conversions per second, and due to the very large oversampling ratio, has extremely relaxed anti-aliasing requirements. The LTC2452 includes continuous internal offset and full-scale calibration algorithms which are transparent to the user, ensuring accuracy over time and over the operating temperature range. The converter has an external REF pin and the differential input voltage range can extend up to ±VREF .

Following a single conversion, the LTC2452 can automatically enter a sleep mode and reduce its supply current to less than 0.2μA. If the user reads the ADC once a second, the LTC2452 consumes an average of less than 50μW from a 2.7V supply.

Applications

  • System Monitoring
  • Environmental Monitoring
  • Direct Temperature Measurements
  • Instrumentation
  • Industrial Process Control
  • Data Acquisition
  • Embedded ADC Upgrades

Subscribe to Welllinkchips !
Your Name
* Email
Submit a request