0
MAX1283
  • MAX1283

MAX1283

PRODUCTION

300ksps/400ksps, Single-Supply, 4-Channel, Serial 12-Bit ADCs with Internal Reference

Analog Devices MAX1283 Product Info

10 February 2026 6

Features

  • 4-Channel Single-Ended or 2-Channel Pseudo-Differential Inputs
  • Internal Multiplexer and Track/Hold
  • Single-Supply Operation
    • +4.5V to +5.5V (MAX1282)
    • +2.7V to +3.6V (MAX1283)
  • Internal +2.5V Reference
  • 400kHz Sampling Rate (MAX1282)
  • Low Power: 2.5mA (400ksps)
    • 1.3mA (REDP)
    • 0.9mA (FASTPD)
    • 2µA (FULLPD)
  • SPI/QSPI/MICROWIRE/TMS320-Compatible 4-Wire Serial Interface
  • Software-Configurable Unipolar or Bipolar Inputs
  • 16-Pin TSSOP Package

Part details & applications

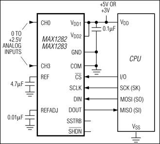
The MAX1282/MAX1283 12-bit analog-to-digital converters (ADCs) combine a 4-channel analog-input multiplexer, high-bandwidth track/hold (T/H), and serial interface with high conversion speed and low power consumption. The MAX1282 operates from a single +4.5V to +5.5V supply; the MAX1283 operates from a single +2.7V to +3.6V supply. Both devices' analog inputs are software configurable for unipolar/bipolar and single-ended/pseudo-differential operation.

The 4-wire serial interface connects directly to SPI™/QSPI™/MICROWIRE™ devices without external logic. A serial strobe output allows direct connection to TMS320-family digital signal processors. The MAX1282/MAX1283 use an external serial-interface clock to perform successive-approximation analog-to-digital conversions. The devices feature an internal +2.5V reference and a reference-buffer amplifier with a ±1.5% voltage-adjustment range. An external reference with a 1V to VDD range may also be used.

The MAX1282/MAX1283 provide a hardwired active-low SHDN pin and four software-selectable power modes (normal operation, reduced power (REDP), fast power-down (FASTPD), and full power-down (FULLPD)). These devices can be programmed to automatically shut down at the end of a conversion or to operate with reduced power. When using the power-down modes, accessing the serial interface automatically powers up the devices, and the quick turn-on time allows them to be shut down between all conversions.

The MAX1282/MAX1283 are available in 16-pin TSSOP packages.

Applications

  • Battery-Powered Applications
  • Data Acquisition
  • Medical Instruments
  • Pen Digitizers
  • Portable Data Logging
  • Process Control

Subscribe to Welllinkchips !
Your Name
* Email
Submit a request