0
MAX667
  • MAX667

MAX667

PRODUCTION

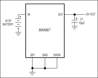
+5V Programmable, Low-Dropout Voltage Regulator

Analog Devices MAX667 Product Info

10 February 2026 11

Features

  • 350mV Max Dropout at 200mA
  • 250mA Output Current
  • Normal Mode: 20µA Typ Quiescent Current
  • Shutdown Mode: 0.2µA Typ Quiescent Current
  • Low-Battery Detector
  • Fixed +5V (Min Component Count) or Adjustable Output
  • +3.5V to +16.5V Input
  • Dropout Detector Output
  • 10µF Output Capacitor

Part details & applications

The MAX667 low-dropout, positive, linear voltage regulator supplies up to 250mA of output current. With no load, it has a typical quiescent current of 20µA. At 200mA of output current, the input/output voltage differential is typically 150mV. Other features include a low-voltage detector to indicate power failure, as well as early-warning and low-dropout detectors to indicate an imminent loss of output voltage regulation. A shutdown control disables the output and puts the circuit into a low quiescent-current mode.

The MAX667 employs Dual Mode™ operation. One mode uses internally trimmed feedback resistors to produce +5V. In the other mode, the output may be varied from +1.3V to +16V by connecting two external resistors.

The MAX667 is a pin-compatible upgrade to the MAX666 in most applications where the input voltages are above +3.5V. Choose the MAX667 when high output currents and/or low dropout voltages are desired, as well as for improved performance at higher temperatures.

Applications

  • Automotive Electronics
  • Pagers and Radio Control Receivers
  • Portable Instrumentation
  • Solar-Powered Instruments

Subscribe to Welllinkchips !
Your Name
* Email
Submit a request