0
HMC955
  • HMC955

HMC955

LAST TIME BUY

32 Gbps, 1:2 Demux with Programmable Output Voltage

Analog Devices HMC955 Product Info

10 February 2026 10

Features

  • Supports Data Rates up to 32 Gbps
  • 660 mW Power Consumption
  • -3.3 V or +3.3 V Operation is Available
  • Supports Single-Ended and Differential Operation
  • 24 Lead Ceramic 4x4 mm SMT Package: 16 mm2
  • Invert Port Allows Scrambling for SERDES Application

Part details & applications

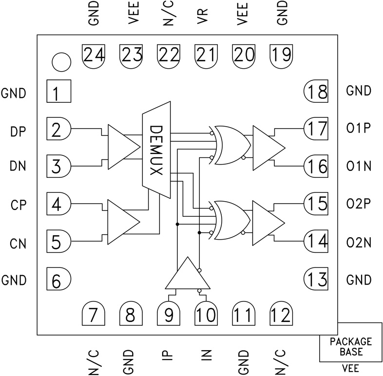
The HMC955LC4B is a 1 to 2 Demux designed to support data transmission rates up to 32 Gbps. The demux uses both rising and falling edges of the half-rate clock to sample the data in sequence 01-02 and latches the data on the rising edge into the differential outputs. The demux also has high-speed clock synchronous invert input that allows for scrambling of the data. The HMC955LC4B also features an output level control pin, VR, which allows for loss compensation or for signal level optimization.

All differential inputs to the HMC955LC4B are CML and terminated on-chip with 50 Ohms to the positive supply, GND, and may be AC or DC coupled. The differential CML outputs are source terminated to 50 Ohms and may also be AC or DC coupled. Outputs can be connected directly to a 50 Ohm ground-terminated system or drive devices with CML logic input. The HMC955LC4B operates from a single -3.3 V supply and is available in a ceramic ROHS-compliant 4x4 mm SMT package.

APPLICATIONS

  • SONET OC-192
  • Broadband Test & Measurement Equipment
  • FPGA Interfacing Circuitry
  • 16 G and 32 G Fiber Channel
  • 100 Gbit Ethernet
  • ADC Encoder
  • Subscribe to Welllinkchips !
    Your Name
    * Email
    Submit a request