0
MAX6630
  • MAX6630

MAX6630

PRODUCTION

12-Bit + Sign Digital Temperature Sensors with Serial Interface

Analog Devices MAX6630 Product Info

10 February 2026 10

Features

  • Low Power Consumption
    • 32µA typ (MAX6631/MAX6632)
    • 200µA typ (MAX6629/MAX6630)
  • 12-Bit + Sign Resolution with 0.0625°C/LSB
  • Accuracy
    • ±1°C (max) from 0°C to +70°C
  • +150°C Extended Temperature Range
  • SPI-Compatible Serial Interface
  • +3.0V to +5.5V Supply Range
  • 6-Pin TDFN and SOT23 Packages
  • Lead-Free Version Available (TDFN Package)

Part details & applications

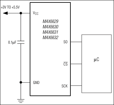
The MAX6629–MAX6632 are local digital temperature sensors with an SPI-compatible serial interface. The temperature is converted to a 12-bit + sign word with a resolution of 0.0625°C/LSB. An extended temperature range provides useful readings up to +150°C.

These sensors are 3-wire serial interface SPI compatible, allowing the MAX6629–MAX6632 to be readily connected to a variety of microcontrollers (µCs). The MAX6629–MAX6632 are read-only devices, simplifying their use in systems where only temperature data is required.

All four digital temperature sensors require very little supply current, making them ideal for portable systems. The MAX6631/MAX6632 perform a temperature-to-digital conversion once every 8s and require minimal average supply current, 32µA (typ). The MAX6629/MAX6630 perform a conversion once every 0.5s and require only 200µA (typ) supply current. Any of these temperature sensors can perform conversions more often—up to approximately four conversions per second by reading the conversion results more often.

Applications

  • Cellular
  • Hard Disk Drive
  • HVACs
  • Industrial Control
  • Systems

Subscribe to Welllinkchips !
Your Name
* Email
Submit a request