0
ADATE320
  • ADATE320
  • ADATE320

ADATE320

RECOMMENDED FOR NEW DESIGNS

1.25 GHz Dual Integrated DCL with PPMU, Level Setting DACs, and On-Chip Calibration Registers

Analog Devices ADATE320 Product Info

10 February 2026 8

Features

  • 1.25 GHz, 2.5 Gbps data rate
  • 3-level driver with high-Z and reflection clamps
  • Window and differential comparators
  • ±25 mA active load
  • Per pin parametric measurement unit (PMU) with a −1.5 V to +4.5 V range
  • Low leakage mode (typically <5 nA)
  • Integrated 16-bit DACs with offset and gain correction
  • 1.2 W power dissipation per channel (ADATE320)
  • 1.3 W power dissipation per channel (ADATE320-1)
  • Driver
    • Voltage range: −1.5 V to +4.5 V
    • Precision trimmed termination: 50.0 Ω
    • Unterminated swing: 50 mV minimum to 6.0 V maximum
    • 400 ps minimum pulse width, 1.0 V programmed swing
    • 25 ps deterministic jitter
  • Comparator
    • Differential and single-ended window modes
    • 100 ps equivalent input rise/fall time (ERT/EFT)
    • 250 mV current mode logic (CML) outputs (ADATE320)
    • 400 mV CML outputs (ADATE320-1)
  • Load
  • Per pin PMU (PPMU)
    • Force voltage/compliance range: −1.5 V to +4.5 V
    • 5 current ranges
      • ±40 mA, ±1 mA, ±100 μA, ±10 μA, ±2 μA
    • Dedicated go/no-go comparators
  • DC levels
    • Fully integrated and dedicated 16-bit DACs
    • On-chip gain and offset calibration registers with automatic add/multiply function
  • 84-lead, 10 mm × 10 mm LFCSP (0.4 mm pitch)

Part details & applications

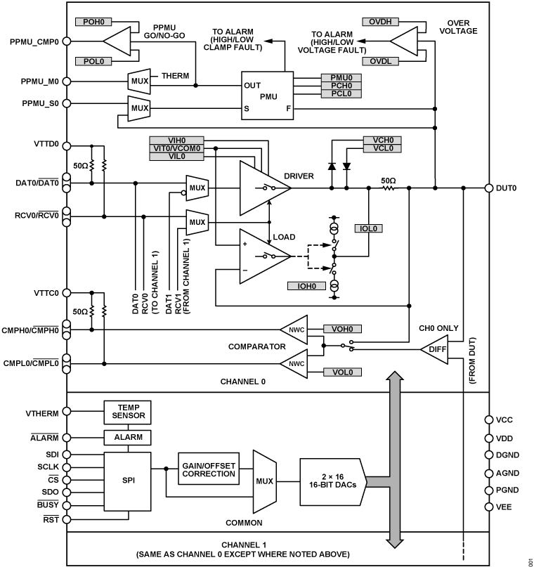
The ADATE320 is a complete, single-chip ATE solution that performs the pin electronics functions of a driver, comparator, and active load (DCL), and a four quadrant per pin parametric measurement unit (PPMU). Dedicated 16-bit digital-to-analog converters (DACs) with on-chip calibration registers provide all the necessary dc levels for operation of the device.

The driver features three active modes: high, low, and terminate, as well as a high impedance inhibit state. The inhibit state, in conjunction with the integrated dynamic clamps, facilitates significant attenuation of transmission line reflections when the driver is not actively terminating the line. The open-circuit drive capability is −1.5 V to +4.5 V to accommodate a standard range of ATE and instrumentation applications.

The ADATE320 can be used as a dual, single-ended pin electronics channel or as a single differential channel. In addition to per channel high speed window comparators, the ADATE320 provides a programmable threshold differential comparator for differential ATE applications.

All dc levels for DCL and PPMU functions are generated by dedicated, on-chip, 16-bit DACs. To facilitate the programming of accurate levels, the ADATE320 includes an integrated calibration function to correct for the gain and offset errors of each functional block. Correction coefficients can be stored on chip, and any values written to the DACs adjust automatically using the appropriate correction factors.

The ADATE320 uses a serial programmable interface (SPI) bus to program all functional blocks, DACs, and on-chip calibration constants. It also has an on-chip temperature sensor and overvolt-age/undervoltage fault clamps that monitor and report the device temperature and any output pin or transient PPMU voltage faults that may occur during operation.

The ADATE320 is available in two options. The standard option has high speed comparator o

Subscribe to Welllinkchips !
Your Name
* Email
Submit a request