0
MAX5733
  • MAX5733

MAX5733

PRODUCTION

32-Channel, 16-Bit, Voltage-Output DACs with Serial Interface Industry's Smallest and Most Accurate 32-Channel, 16-Bit DACs Save Space in ATE and Optical Networking Applications

Analog Devices MAX5733 Product Info

10 February 2026 12

Features

  • Guaranteed Monotonic to 16 Bits
  • 32 Individual DACs in an 8mm x 8mm, 56-Pin, Thin QFN Package or 64-Pin TQFP Package
  • Four Output Voltage Ranges
    • 0 to +5V (MAX5732)
    • 0 to +10V (MAX5733)
    • -2.5V to +7.5V (MAX5734)
    • -5V to +5V (MAX5735)
  • Buffered Voltage Outputs Capable of Driving 10kΩ || 100pF
  • Glitch-Free Power-Up
  • SPI-/QSPI-/MICROWIRE-/DSP-Compatible 33MHz Serial Interface

Part details & applications

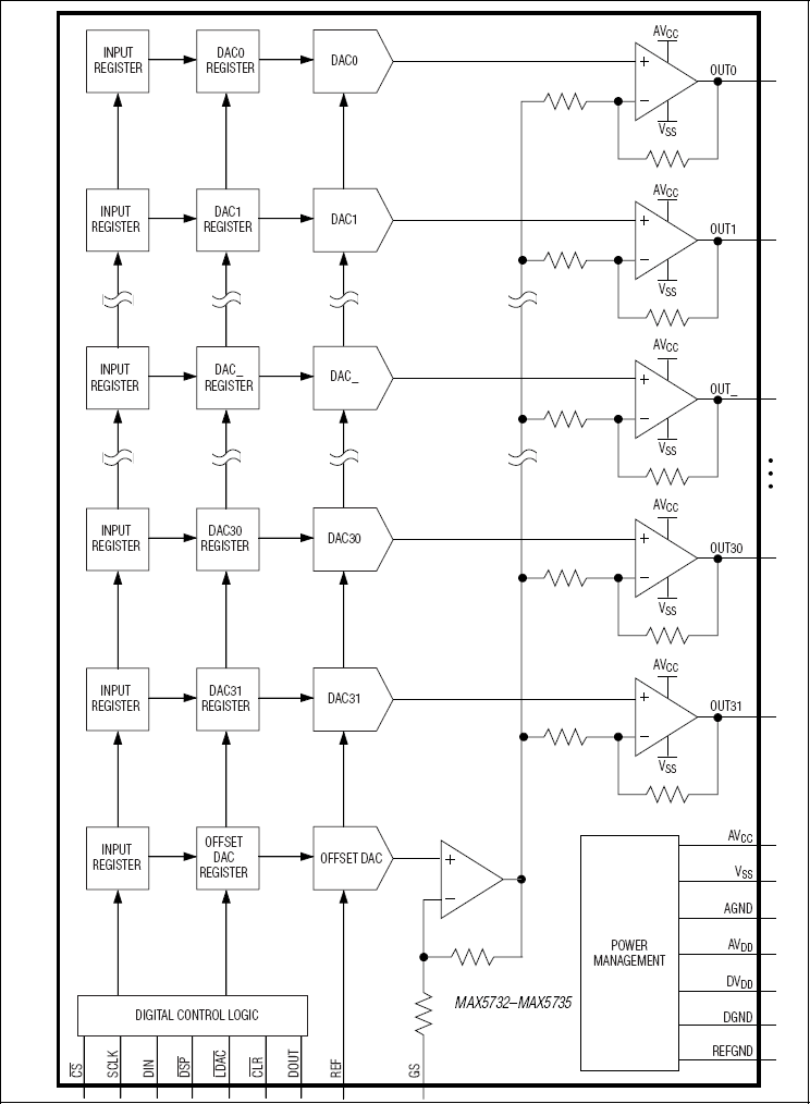
The MAX5732–MAX5735 are 32-channel, 16-bit, voltage-output, digital-to-analog converters (DACs). All devices accept a 3V external reference input. The devices include an internal offset DAC that allows all the outputs to be offset and a ground-sensing function, allowing output voltages to be referenced to a remote ground.

A 33MHz SPI™-/QSPI™-/MICROWIRE™- and digital signal processor (DSP)-compatible serial interface controls the MAX5732–MAX5735. Each DAC has a double-buffered input structure that helps minimize the digital noise feedthrough from the digital inputs to the outputs, and allows for synchronous or asynchronous updating of the outputs. The MAX5732–MAX5735 also provide a DOUT that allows for read-back or daisy chaining multiple devices. The devices provide separate power inputs for the analog and digital sections and provide separate power inputs for the output buffer amplifiers. The MAX5732–MAX5735 include proprietary de-glitch circuits to prevent output glitches at power-up and eliminate the need for power sequencing. The devices provide a software-shutdown mode to allow efficient power management. The MAX5732–MAX5735 consume 50µA of supply current in shutdown.

The MAX5732–MAX5735 provide buffered outputs that can drive 10kΩ in parallel with 100pF. The MAX5732 has a 0 to +5V output range; the MAX5733 has a 0 to +10V range; the MAX5734 has a -2.5V to +7.5V range; the MAX5735 has a -5V to +5V range. The MAX5732–MAX5735 are available in a 56-pin, 8mm x 8mm, thin QFN package and 64-pin TQFP package and operate over the 0°C to +85°C temperature range.

Applications

  • Arbitrary Function Generators
  • Automatic Test Systems
  • Avionics Equipment
  • Digital Offset/Gain Adjustment
  • Industrial

Subscribe to Welllinkchips !
Your Name
* Email
Submit a request