0
MAX5105
  • MAX5105

MAX5105

PRODUCTION

Nonvolatile, Quad, 8-Bit DACs Industry's Smallest Non-Volatile Quad DAC in 16-QSOP

Analog Devices MAX5105 Product Info

10 February 2026 9

Features

  • On-Chip EEPROM Stores DAC States
  • Power-On Reset Initialization of All Registers to Prestored States
  • +2.7V to +5.5V Single-Supply Operation
  • Four 8-Bit DACs with Independent High and Low Reference Inputs (MAX5105)
  • Ground to VDD Reference Input Range
  • Rail-to-Rail Output Buffers
  • Low 1mA Supply Current
  • Low Power 10µA (max) Shutdown Mode
  • Small 20- or 16-Pin QSOP Package
  • SPI™/QSPI™/MICROWIRE™-Compatible Serial Interface
  • Asynchronous MUTE Input (MAX5105)
  • RDY/BSY-bar Pin to Indicate Memory Status (MAX5105)
  • Wide Operating Temperature Range (-40°C to +85°C)

Part details & applications

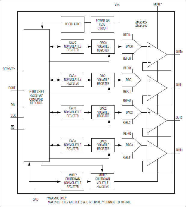
The MAX5105/MAX5106 nonvolatile, quad, 8-bit digital-to-analog converters (DACs) operate from a single +2.7V to +5.5V supply. An internal EEPROM stores the DAC states even after power is removed. Data from these nonvolatile registers automatically initialize the DAC outputs and operating states during power-up. Precision internal buffers swing rail-to-rail, and the reference input range includes both ground and the positive rail.

The MAX5105/MAX5106 feature a software-controlled 10µA shutdown mode and a mute state that drives the DAC outputs to their respective REFL_ voltages. The MAX5105 includes an asynchronous MUTE input, as well as a RDY/BSY-bar output that indicates the status of the nonvolatile memory.

The MAX5105 is available in 20-pin QSOP and 20-pin wide SO packages, and the MAX5106 is available in a 16-pin QSOP package.

Applications

  • Automotive Engine Control
  • Automotive Passenger Compartment
  • Cell Phone Base Stations
  • Industrial Sensor Transmitters/Transducers
  • Industrial Sensor Transmitters/Transducers

Subscribe to Welllinkchips !
Your Name
* Email
Submit a request