0
MAX5066
  • MAX5066

MAX5066

PRODUCTION

Configurable, Single-/Dual-Output, Synchronous Buck Controller for High-Current Applications

Analog Devices MAX5066 Product Info

10 February 2026 16

Features

  • 4.75V to 5.5V or 5V to 28V Input
  • Dual-Output Synchronous Buck Controller
  • Configurable for Two Separate Outputs or One Single Output
  • Each Output is Capable of Up to 25A Output Current
  • Average Current-Mode Control Provides Accurate Current Limit
  • 180° Interleaved Operation Reduces Size of Input Filter Capacitors
  • Limits Reverse Current Sinking When Operated in Parallel Mode
  • Each Output is Adjustable from 0.61V to 5.5V
  • Independently Programmable Adaptive Voltage Positioning
  • Independent Shutdown for Each Output
  • 100kHz to 1MHz per Phase Programmable Switching Frequency
  • Oscillator Frequency Synchronization from 200kHz to 2MHz
  • Hiccup Mode Overcurrent Protection
  • Overtemperature Shutdown
  • Thermally Enhanced 28-Pin TSSOP Package Capable of Dissipating 1.9W
  • Operates Over -40°C to +85°C or -40°C to +125°C Temperature Range

Part details & applications

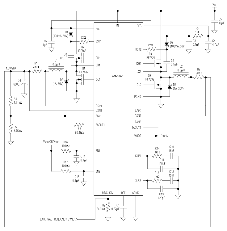
The MAX5066 is a two-phase, configurable single- or dual-output buck controller with an input voltage range of 4.75V to 5.5V or from 5V to 28V. Each phase of the MAX5066 is designed for 180° operation. A mode pin allows for a dual-output supply or connecting two phases together for a single-output, high-current supply. Each output channel of the MAX5066 drives n-channel MOSFETs and is capable of providing more than 25A of load current. The MAX5066 uses average current-mode control with a switching frequency up to 1MHz per phase where each phase is 180° out of phase with respect to the other. Out-of-phase operation results in significantly reduced input capacitor ripple current and output voltage ripple in dual-phase, single-output voltage applications. Each buck regulator output has its own high-performance current and voltage-error amplifier that can be compensated for optimum output filter L-C values and transient response.

The MAX5066 offers two enable inputs with accurate turn-on thresholds to allow for output voltage sequencing of the two outputs. The device's switching frequency can be programmed from 100kHz to 1MHz with an external resistor. The MAX5066 can be synchronized to an external clock. Each output voltage is adjustable from 0.61V to 5.5V. Additional features include thermal shutdown, "hiccup mode" short-circuit protection. Use the MAX5066 with adaptive voltage positioning for applications that require a fast transient response, or accurate output voltage regulation.

The MAX5066 is available in a thermally enhanced 28-pin TSSOP package capable of dissipating 1.9W. The device is rated for operation over the -40°C to +85°C extended, or -40°C to +125°C automotive temperature range.

Applications

  • Gra

Subscribe to Welllinkchips !
Your Name
* Email
Submit a request