0
MAX5019
  • MAX5019

MAX5019

NOT RECOMMENDED FOR NEW DESIGNS

Current-Mode PWM Controllers with Integrated Startup Circuit

Analog Devices MAX5019 Product Info

10 February 2026 6

Features

  • Wide Input Range: (18V to 110V) or (13V to 36V)
  • Isolated (without optocoupler) or nonisolated power supply
  • Current-Mode Control
  • Leading-Edge Blanking
  • Internally Trimmed 275kHz ±10% Oscillator
  • Low External Component Count
  • Soft-Start
  • High-Voltage Startup Circuit
  • Pulse-by-Pulse Current Limiting
  • Thermal Shutdown
  • SO-8 Package

Part details & applications

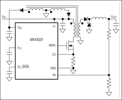
The MAX5019/MAX5020 integrate all the building blocks necessary for implementing DC-DC fixed-frequency power supplies. Either primary- or secondary-side regulation may be used to implement isolated or nonisolated power supplies. These devices are current-mode controllers with an integrated high-voltage startup circuit suitable for telecom/industrial voltage range power supplies. Current-mode control with leading-edge blanking simplifies control-loop design and internal ramp compensation circuitry stabilizes the current loop when operating at duty cycles above 50% (MAX5019). The MAX5019 allows 85% operating duty cycle and can be used to implement flyback converters whereas the MAX5020 limits the operating duty cycle to less than 50% and can be used in single-ended forward converters. A high-voltage startup circuit allows these devices to draw power directly from the 18V to 110V input supply during startup. The switching frequency is internally trimmed to 275kHz ±10%, thus reducing magnetics and filter component costs.

The MAX5019/MAX5020 are available in 8-pin SO packages.

Warning: The MAX5019/MAX5020 operate with high voltages. Exercise caution.

Applications

  • Industrial Power Supplies
  • Isolated Power Supplies
  • Networking Power Supplies
  • Telecom Power Supplies

Subscribe to Welllinkchips !
Your Name
* Email
Submit a request