0
LTC2270
  • LTC2270
  • LTC2270
  • LTC2270
  • LTC2270
  • LTC2270

LTC2270

PRODUCTION

16-Bit, 20Msps Low Noise Dual ADC

Analog Devices LTC2270 Product Info

10 February 2026 6

Features

  • Two-Channel Simultaneously Sampling ADC
  • 84.1dB SNR (46μVRMS Input Referred Noise)
  • 99dB SFDR
  • ±2.3LSB INL(Max)
  • Low Power: 160mW Total, 80mW per Channel
  • Single 1.8V Supply
  • CMOS, DDR CMOS, or DDR LVDS Outputs
  • Selectable Input Ranges: 1VP-P to 2.1VP-P
  • 200MHz Full Power Bandwidth S/H
  • Shutdown and Nap Modes
  • Serial SPI Port for Configuration
  • Pin Compatible with
    • LTC2180: 16-Bit, 25Msps, 78mW
    • LTC2140-14: 14-Bit, 25Msps, 50mW
  • 64-Lead (9mm × 9mm) QFN Package

Part details & applications

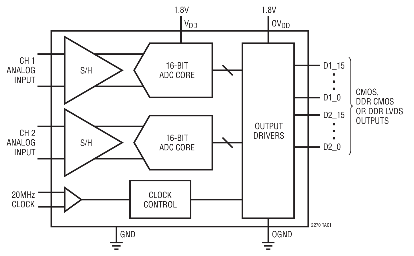
The LTC2270 is a two-channel simultaneous sampling 16-bit A/D converter designed for digitizing high frequency, wide dynamic range signals. It is perfect for demanding applications with AC performance that includes 84.1dB SNR and 99dB spurious free dynamic range (SFDR).

DC specs include ±1LSB INL (typ), ±0.2LSB DNL (typ) and no missing codes over temperature. The transition noise is 1.44LSBRMS.

The digital outputs can be either full rate CMOS, Double Data Rate CMOS, or Double Data Rate LVDS. A separate output power supply allows the CMOS output swing to range from 1.2V to 1.8V.

The ENC+ and ENC inputs may be driven differentially or single-ended with a sine wave, PECL, LVDS, TTL, or CMOS inputs. An optional clock duty cycle stabilizer allows high performance at full speed for a wide range of clock duty cycles.

Applications

  • Low Power Instrumentation
  • Software Defined Radios
  • Portable Medical Imaging
  • Multi-Channel Data Acquisition

Subscribe to Welllinkchips !
Your Name
* Email
Submit a request