0
MAX4986
  • MAX4986

MAX4986

PRODUCTION

SAS/SATA Single Lane 2:1/1:2 Multiplexer/Demultiplexer Plus Redriver with Equalization 1:2/2:1 Active Mux with Redrive Maintains Signal Integrity While Providing High-Frequency Performance at SAS/SATA 2.0s

Analog Devices MAX4986 Product Info

10 February 2026 8

Features

  • Single +3.3V Supply Operation
  • Low-Power, 1mA (typ) Standby
    • Active-High Enable (EN) for Use with Power Good
    • Active-Low Enable (EN) for Cable-Detect Function
  • Supports SAS I/II/III ≤ 6.0Gbps
  • Independent Programmable Input Equalization Two Levels: 0dB, 4dB
  • Independent Programmable Output Preemphasis Two Levels: 0dB, 3dB
  • Independent Programmable Output Level Selection
  • Supports SAS/SATA OOB-Level Signaling
    • Programmable SAS/SATA Threshold
  • Cable-Detect Feature for Low Power Consumption
  • On-Chip 50Ω Input/Output Terminations
  • Inline Signal Traces for Simplified Layout
  • Space-Saving, 3.5mm x 9.0mm TQFN Package with Exposed Pad

Part details & applications

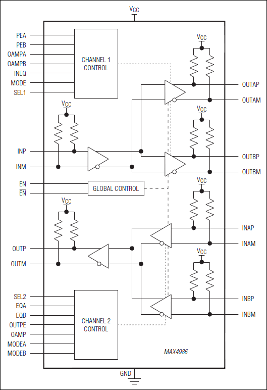
The MAX4986 active 2:1/1:2 multiplexer/demultiplexer equalizes and redrives SAS/SATA or SATA-only signals up to 6.0Gbps and operates from a single +3.3V supply.
The MAX4986 features independent input equalization and output preemphasis. The MAX4986 enhances signal integrity at the receiver by equalizing the signal at the input and establishing preemphasis at the output of the device. SAS/SATA and SATA-only out-of-band (OOB) signaling is supported using high-speed amplitude detection on the inputs and squelch on the corresponding outputs. Inputs and outputs are internally 50Ω terminated and must be AC-coupled to the SAS/SATA controller IC and SAS/SATA device.
The MAX4986 is available in a small (3.5mm x 9.0mm), 42-pin TQFN package optimal for simplified layout and space-saving requirements. The MAX4986C is specified over the 0°C to +70°C commercial operating temperature range. The MAX4986E is specified over the -40°C to +85°C extended temperature range.

Applications

  • Desktops
  • Docking Stations
  • PC Servers
  • Workstations

Subscribe to Welllinkchips !
Your Name
* Email
Submit a request