0
MAX3395E
  • MAX3395E

MAX3395E

PRODUCTION

±15kV ESD-Protected, High-Drive Current, Dual-/Quad-/Octal-Level Translators with Speed-Up Circuitry

Analog Devices MAX3395E Product Info

10 February 2026 8

Features

  • ±15kV ESD Protection on I/O VCC_ Lines
  • Bidirectional Level Translation Without Direction Pin
  • I/O VL_ and I/O VCC_ 10mA Sink-/15mA Source-Current Capability
  • Slew-Rate Enhancement Circuitry Supports Larger Capacitive Loads or Larger External Pullup Resistors
  • 6Mbps Push-Pull/1Mbps Open-Drain Guaranteed Data Rate
  • Wide Supply-Voltage Range: Operation Down to +1.2V on VL and +1.65V on VCC
  • Low Supply Current in Tri-State Output Mode (3µA typ)
  • Low Quiescent Current
  • Thermal-Shutdown Protection
  • UCSP, TDFN, and TQFN Packages

Part details & applications

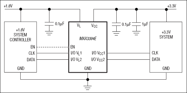
The MAX3394E/MAX3395E/MAX3396E bidirectional level translators provide level shifting required for data transfer in a multivoltage system. Internal slew-rate enhancement circuitry features 10mA current-sink and 15mA current-source drivers to isolate capacitive loads from lower current drivers. In open-drain systems, slew-rate enhancement enables fast data rates with larger pullup resistors and increased bus load capacitance. Externally applied voltages, VCC and VL, set the logic-high levels for the device. A logic-low signal on one I/O side of the device appears as a logic-low signal on the opposite I/O side, and vice-versa. Each I/O line is pulled up to VCC or VL by an internal pullup resistor, allowing the devices to be driven by either push-pull or open-drain drivers.

The MAX3394E/MAX3395E/MAX3396E feature a tri-state output mode, thermal-shutdown protection, and ±15kV Human Body Model (HBM) ESD protection on the VCC side for greater protection in applications that route signals externally.

The MAX3394E/MAX3395E/MAX3396E accept VCC voltages from +1.65V to +5.5V, and VL voltages from +1.2V to VCC, making them ideal for data transfer between low voltage ASIC/PLDs and higher voltage systems. The MAX3394E/MAX3395E/MAX3396E operate at a guaranteed data rate of 6Mbps with push-pull drivers and 1Mbps with open-drain drivers.

The MAX3394E is a dual-level translator available in 9-bump UCSP™ and 8-pin 3mm × 3mm TDFN packages. The MAX3395E is a quad-level translator available in 12-bump UCSP, and 12-pin 4mm x 4mm TQFN packages. The MAX3396E is an octal-level translator available in 20-bump UCSP and 20-pin 5mm × 5mm TQFN packages. The MAX3394E/MAX3395E/MAX3396E operate over the extended -40°C to +85°C temperature range.

Applications

  • Cell Phones
Subscribe to Welllinkchips !
Your Name
* Email
Submit a request