0
MAX333
  • MAX333

MAX333

PRODUCTION

Quad, SPDT, CMOS Analog Switch

Analog Devices MAX333 Product Info

10 February 2026 8

Features

  • Low Cost Per Channel
  • Four Independent SPOT Switches
  • Break-Before-Make Switching
  • Guaranteed ±5V to ±18V Operation
  • Guaranteed +10V to +30V Operation (Single Supply)
  • No Separate Logic Supply Required
  • CMOS and TTL Logic Compatible
  • Monolithic, Low Power CMOS Design

Part details & applications

The MAX333 is a quad single-pole-double-throw (SPOT) analog switch. These four independent switches can be operated with bipolar power supplies ranging from ±5V to ±18V, or single-ended power supplies of +10V to +30V.

The MAX333 has break-before-make switching, (200ns typical), a maximum turn-off time of 500ns, and a maximum turn-on time of 1000ns.

The MAX333 is ideal for portable operation since quiescent current is only 250µA maximum with all inputs high, and less with all inputs low.

Logic inputs are fully TTL and CMOS compatible and guaranteed over a +0.8V to +2.4V range, regardless of supply voltage. Logic inputs and switched analog signals can range anywhere between the supply volt­ages without damage. The MAX333 is a low-cost replacement for a DG211/DG212 pair when used as a quad SPOT switch.

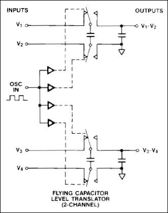
APPLICATIONS

  • Winchester Disk Drives
  • Test Equipment
  • Communications Systems
  • PBX, PABX
  • Head up Displays
  • Portable Instruments

Subscribe to Welllinkchips !
Your Name
* Email
Submit a request