0
AD9517-1
  • AD9517-1
  • AD9517-1

AD9517-1

RECOMMENDED FOR NEW DESIGNS

12-Output Clock Generator with Integrated 2.5 GH z VCO

Analog Devices AD9517-1 Product Info

10 February 2026 11

Features

  • Low phase noise, phase-locked loop (PLL)
    On-chip VCO tunes from 2.30 GHz to 2.65 GHz
  • External VCO/VCXO to 2.4 GHz optional
  • 1 differential or 2 single-ended reference inputs
  • Reference monitoring capability
  • Automatic revertive and manual reference
    switchover/holdover modes
  • Accepts LVPECL, LVDS, or CMOS references to 250 MHz
  • Programmable delays in path to PFD
  • Digital or analog lock detect, selectable
  • 2 pairs of 800 MHz LVDS clock outputs
  • Each LVDS output can be reconfigured as two 250 MHz CMOS outputs
  • 2 pairs of 1.6 GHz LVPECL outputs
    Each output pair shares a 1-to-32 divider with coarse phase delay
    Additive output jitter: 225 fs rms
    Channel-to-channel skew paired outputs of <10 ps
  • Each output pair shares two cascaded 1-to-32 dividers with coarse phase delay
    Additive output jitter: 275 fs rms
    Fine delay adjust (Δt) on each LVDS output
  • Automatic synchronization of all outputs on power-up
  • Manual output synchronization available
  • Available in a 48-lead LFCSP

Part details & applications

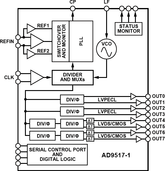
The AD9517-1provides a multi-output clock distribution function with subpicosecond jitter performance, along with an on-chip PLL and VCO. The on-chip VCO tunes from 2.30 GHz to 2.65 GHz. Optionally, an external VCO/VCXO of up to 2.4 GHz can be used.

The AD9517-1 emphasizes low jitter and phase noise to maximize data converter performance, and it can benefit other applications with demanding phase noise and jitter requirements.

The AD9517-1 features four LVPECL outputs (in two pairs) and four LVDS outputs (in two pairs). Each LVDS output can be reconfigured as two CMOS outputs. The LVPECL outputs operate to 1.6 GHz, the LVDS outputs operate to 800 MHz, and the CMOS outputs operate to 250 MHz.

For applications that require additional outputs, a crystal reference input, zero-delay, or EEPROM for automatic configuration at startup, the AD9520 and AD9522 are available. In addition, the AD9516 and AD9518 are similar to the AD9517 but have a different combination of outputs.

Each pair of outputs has dividers that allow both the divide ratio and coarse delay (or phase) to be set. The range of division for the LVPECL outputs is 1 to 32. The LVDS/CMOS outputs allow a range of divisions up to a maximum of 1024.

The AD9517-1 is available in a 48-lead LFCSP and can be operated from a single 3.3 V supply. An external VCO, which requires an extended voltage range, can be accommodated by connecting the charge pump supply (VCP) to 5 V. A separate LVPECL power supply can be from 2.5 V to 3.3 V (nominal).

The AD9517-1 is specified for operation over the industrial range of −40°C to +85°C.

Applications

  • Low jitter, low phase noise clock distribution
  • 10/40/100 Gb/sec networking line cards, including SONET, Synchronous Ethernet, OTU2/3/4
  • Forward error correction (G.710)
  • Clocking high speed ADCs, DACs

Subscribe to Welllinkchips !
Your Name
* Email
Submit a request