0
HMC877
  • HMC877

HMC877

LAST TIME BUY

Broadband Time Delay & Phase Shifter SMT, 8 - 23 GHz

Analog Devices HMC877 Product Info

10 February 2026 7

Features

  • Very Wide Bandwidth: 8 - 23 GHz
  • Continuous Adjustable Delay Range: 500° (1.4 Unit Interval)
  • Single-Ended or Differential Operation
  • Adjustable Differential Output Voltage Swing: 500 - 950 mVp-p @ 16 GHz
  • Delay Control Modulation Bandwidth: 2.5 GHz
  • Single Supply: +3.3V 
  • 16 Lead Ceramic 3x3 mm SMT Package: 9 mm²

Part details & applications

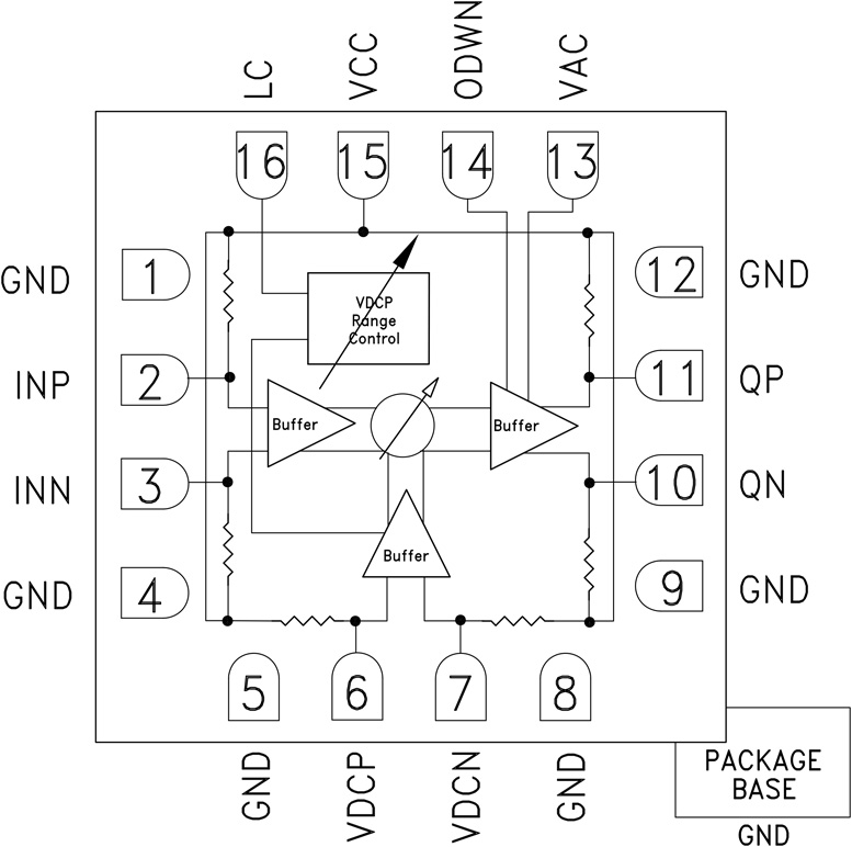
The HMC877LC3 is a phase shifter/time delay with 0 to 500°(1.4 UI) continuously adjustable shift/delay range. The delay control is linearly monotonic with respect to the differential control voltage (VDCP, VDCN) and the control input has a modulation bandwidth of 2.5 GHz. The device provides a differential output voltage with constant amplitude for single-ended or differential input voltages above the input sensitivity level, while the output voltage swing may be adjusted using the VAC control pin. The HMC877LC3 features internal temperature compensation and bias circuitry to minimize delay variations with temperature. The device also features a delay control voltage range adjustment pin, LC. All RF input and outputs of the HMC877LC3 are internally terminated with 50 Ohms to VCC, and may either be AC or DC coupled. Output pins can be connected directly to a 50 Ohm to VCC terminated system, while DC blocking capacitors must be used if the terminated system input is 50 Ohms to a DC voltage other than VCC. The HMC877LC3 is available in ROHS-compliant 3 x 3 mm SMT package.

APPLICATIONS

  • Synchronization of Clock & Data
  • Transponder Design
  • Broadband Test & Measurement
  • RF ATE Applications

Subscribe to Welllinkchips !
Your Name
* Email
Submit a request