0
MAX3232
  • MAX3232

MAX3232

PRODUCTION

3.0V to 5.5V, Low-Power, Up to 1Mbps, True RS-232 Transceivers

Analog Devices MAX3232 Product Info

10 February 2026 9

Features

  • Integrated Features Saves Board Space and Simplifies Design
    • Charge Pump Circuitry Eliminates the Need for a Bipolar ±12V Supply
    • Wide Single-Supply Operation From +3V to +5.5V Supply
    • Always-On Extra Outputs Enable Monitoring of External Devices
  • Power Saving Extends Battery Life
    • 1µA Supply Current in Shutdown Mode While Receiver is Active (MAX3222, MAX3237, MAX3241)

Part details & applications

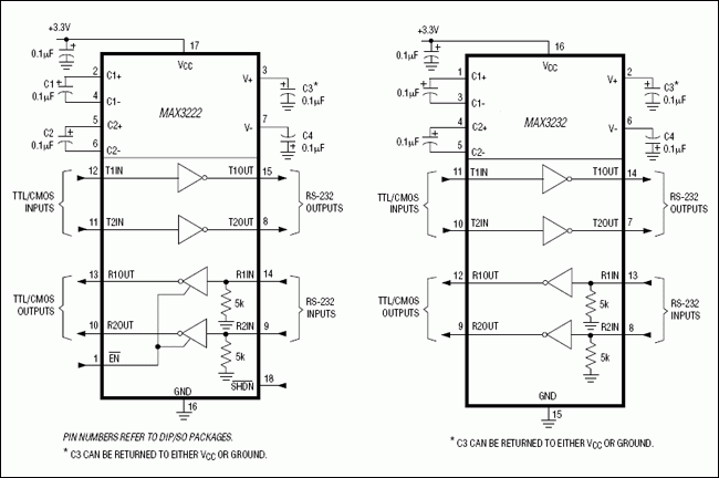
The MAX3222/MAX3232/MAX3237/MAX3241 transceivers have a proprietary low-dropout transmitter output stage enabling true RS-232 performance from a 3.0V to 5.5V supply with a dual charge pump. The devices require only four small 0.1µF external charge-pump capacitors. The MAX3222, MAX3232, and MAX3241 are guaranteed to run at data rates of 120kbps while maintaining RS-232 output levels. The MAX3237 is guaranteed to run at data rates of 250kbps in normal operating mode and 1Mbps in the MegaBaud™ operating mode.

The MAX3222/MAX3232 have 2 receivers and 2 drivers. The MAX3222 and MAX3232 are pin, package, and functionally compatible with the industry-standard MAX242 and MAX232, respectively.

The MAX3241 has 5 receivers and 3 drivers, while the MAX3237 has 3 receivers and 5 drivers. Receivers R1 (MAX3237/MAX3241) and R2 (MAX3241) have extra outputs in addition to their standard outputs. These extra outputs are always active, allowing external devices to be monitored without forward biasing the protection diodes in circuitry that may have VCC completely removed.

The MAX3222, MAX3232, and MAX3241 are available in space-saving TSSOP and SSOP packages with operating temperatures of either -40°C to +85°C or 0°C to 70°C.

Applications

  • Battery-Powered Equipment
  • Handheld Equipment
  • High-Speed Modems
  • Notebook, Subnotebook, and Palmtop Computers
  • Peripherals
  • Printers

Subscribe to Welllinkchips !
Your Name
* Email
Submit a request