0
MAX3223E
  • MAX3223E
  • MAX3223E
  • MAX3223E

MAX3223E

PRODUCTION

±15kV ESD-Protected, 1µA, 3.0V to 5.5V, 250kbps, RS-232 Transceivers with AutoShutdown

Analog Devices MAX3223E Product Info

10 February 2026 7

Features

  • For Space-Constrained Applications:
    • MAX3228E/MAX3229E: ±15kV ESD-Protected, +2.5V to +5.5V RS-232 Transceivers in UCSP™
    • MAX3222E/MAX3232E/MAX3237E/MAX3241E/MAX3246E: ±15kV ESD-Protected Down to 10nA, +3.0V to +5.5V, Up to 1Mbps, True RS-232 Transceivers (MAX3246E Available in a UCSP Package)
  • For Data Cable Applications:
    • MAX3380E/MAX3381E: +2.35V to +5.5V, 1µA, 2Tx/2Rx RS-232 Transceivers with ±15kV ESD-Protected I/O and Logic Pins

Part details & applications

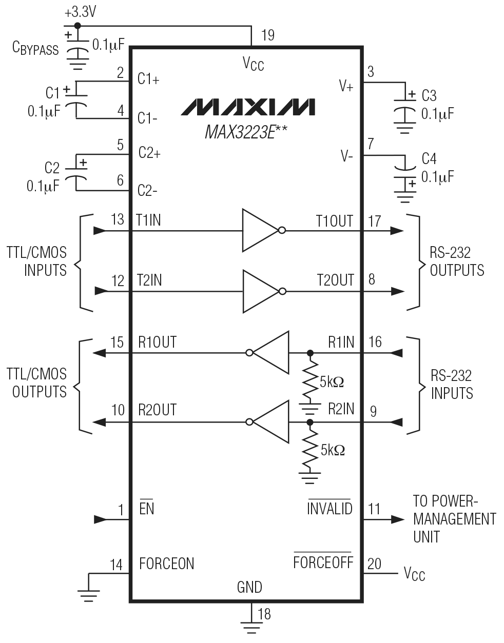
The MAX3221E/MAX3223E/MAX3243E are 3V-powered EIA/TIA-232 and V.28/V.24 communications interfaces with automatic shutdown/wakeup features, high data-rate capabilities, and enhanced electrostatic discharge (ESD) protection. All transmitter outputs and receiver inputs are protected to ±15kV using IEC 1000-4-2 Air-Gap Discharge, to ±8kV using IEC 1000-4-2 Contact Discharge, and to ±15kV using the Human Body Model.

The MAX3221E/MAX3223E/MAX3243E achieve a 1µA supply current with Maxim's revolutionary AutoShutdown™ feature. They save power without changes to the existing BIOS or operating system by entering low-power shutdown mode when the RS-232 cable is disconnected, or when the transmitters of the connected peripherals are off.

The transceivers have a proprietary low-dropout transmitter output stage, delivering true RS-232 performance from a +3.0V to +5.5V supply with a dual charge pump. The charge pump requires only four small 0.1µF capacitors for operation from a +3.3V supply. Each device is guaranteed to run at data rates of 250kbps while maintaining RS-232 output levels.

The MAX3221E contains just one driver and one receiver, making it the smallest single-supply RS-232 transceiver. The MAX3223E has two drivers and two receivers. The MAX3243E is a complete 3-driver/5-receiver serial port ideal for notebook or subnotebook computers. It also includes two noninverting receiver outputs that are always active, allowing external devices to be monitored without forward biasing the protection diodes in circuitry that may be powered down.

The MAX3221E, MAX3223E, and MAX3243E are available in space-saving TQFN, SSOP, and TSSOP packages.

Applications

  • Battery-Powered Equipment
  • Cell Phones
  • Handheld Equipment
  • Notebook, Subnotebook, and Palmtop Computers
  • Peripherals
  • Printers
&

Subscribe to Welllinkchips !
Your Name
* Email
Submit a request