0
MAX26402
  • MAX26402
  • MAX26402

MAX26402

PRODUCTION

36V, 2.5A/3.5A, Fully Integrated Synchronous Silent Switcher Buck Converters

Analog Devices MAX26402 Product Info

10 February 2026 10

Features

  • Silent Switcher
    • Enables Compact, Efficient, Low-EMI Solution
    • Spread-Spectrum Frequency Modulation
    • Symmetrical Package Offers Superior EMI Performance
  • Multiple Functions for Small Size
    • Operating Input Voltage Range: 3V to 36V
    • Synchronous DC-DC Converter with Integrated Field-Effect Transistors (FETs) up to 2.5A/3.5A
    • 10μA Quiescent Current in Skip Mode
    • 3MHz/2.1MHz/400kHz Switching Frequency
    • Spread-Spectrum Option
    • Fixed 2.5ms Internal Soft-Start
    • Programmable 0.8V to 12V Output Voltage Range or Fixed 5V/3.3V Options Available
    • 99% Duty Cycle Operation with Low Dropout
  • High Precision for Safety Critical Applications
    • MAXQ Power Architecture
    • ±1.5% Output Voltage Accuracy in Forced-PWM
    • Precision Enable Thresholds for Fully Programmable Undervoltage Lockout (UVLO) Thresholds
    • Accurate Windowed PGOOD
  • Robust for the Environment
    • Average Current-Mode, Forced-PWM, and Skip Operation
    • Overtemperature, Overvoltage (OV), and Short-Circuit Protection
    • 3mm x 3mm FC2QFN
    • -40°C to +125°C Operating Temperature Range

Part details & applications

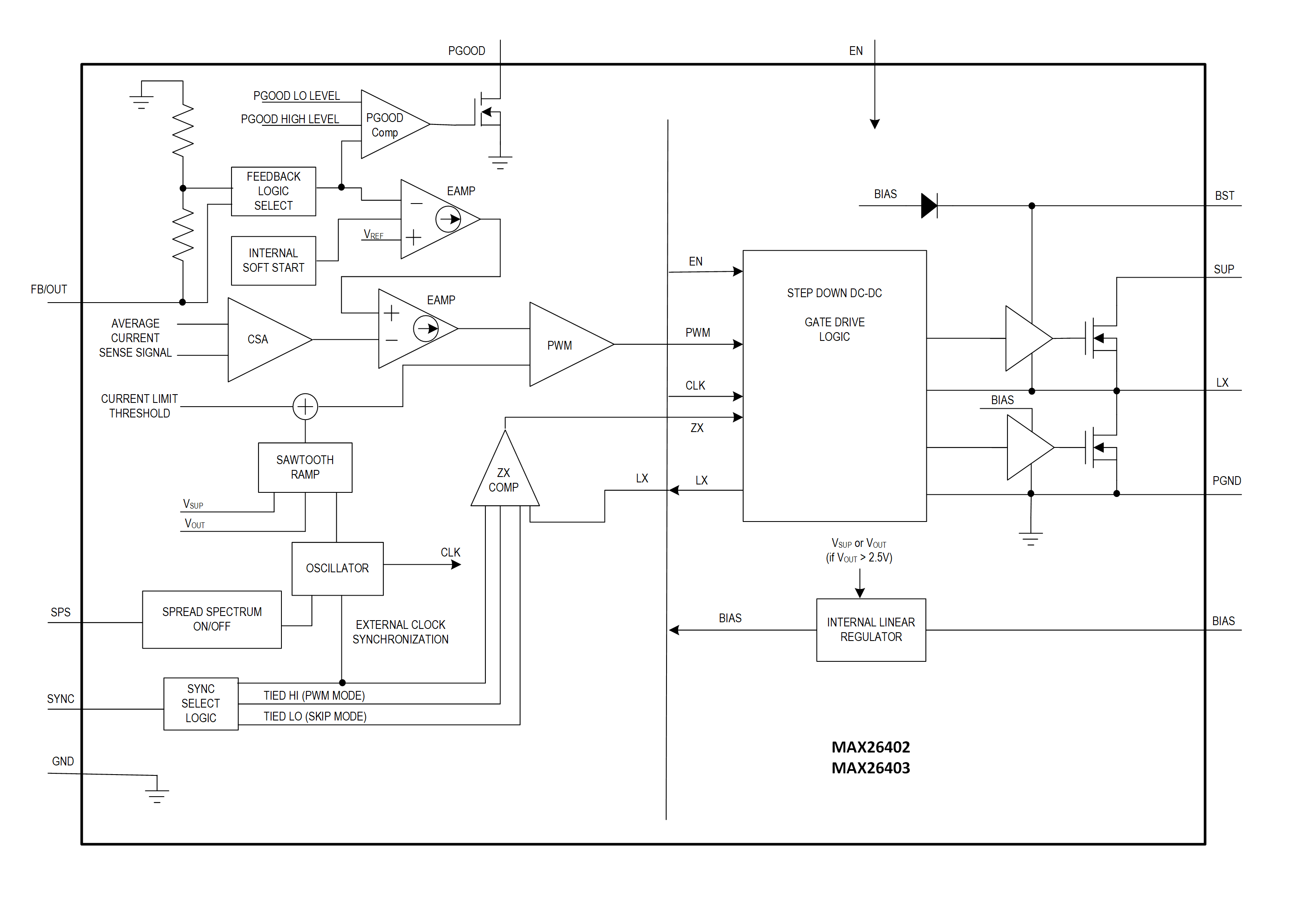
The MAX26402/MAX26403 ICs are tiny, low-electromagnetic interference (EMI) emission, synchronous Silent Switcher® buck converters with integrated high-side and low-side switches. The MAX26402/MAX26403 deliver up to 2.5A/3.5A over a wide 3V to 36V input voltage range. Voltage quality can be monitored by observing the power-good (PGOOD) signal. These ICs can operate in dropout by running at 99% duty cycle, making them ideal for industrial applications.

The MAX26402/MAX26403 offer externally programmable or internally fixed output voltages of 5V and 3.3V. Fixed internal frequency options of 3MHz/2.1MHz/400kHz are available, which allow for small external components and reduced output ripple, and also guarantee no amplitude modulation (AM) interference.

When SYNC is low, the MAX26402/MAX26403 automatically enter skip mode at light loads with an ultra-low quiescent current of 10μA at no load. A pin-selectable, forced-pulse-width-modulation (PWM) mode is also available, which helps improve EMI performance. The devices have a spread-spectrum frequency modulation option designed to minimize EMI-radiated emissions due to the modulation frequency.

The devices feature the MAXQ® power architecture, which provides precision transient performance and phase margin. This allows obtaining the maximum power, powerformance, and precision while minimizing system cost for any specific application.

The MAX26402/MAX26403 are available in a small, 3mm x 3mm FC2QFN package and use very few external components.

APPLICATIONS

  • Point-of-Load Power Supplies
  • 12V/24V Industrial Applications
  • Telecom, Servers, and Networking Equipment

Subscribe to Welllinkchips !
Your Name
* Email
Submit a request