0
MAX25460
  • MAX25460
  • MAX25460
  • MAX25460
  • MAX25460

MAX25460

NOT RECOMMENDED FOR NEW DESIGNS

Automotive 1.5A Step-Down Converter with USB Protection/Host Charger Adapter Emulator

Analog Devices MAX25460 Product Info

10 February 2026 7

Features

  • One-Chip Type-A Solution Directly from Car Battery to Portable Device
    • 1GHz Bandwidth USB 2.0 Data Switches
    • 4.5V to 28V (40V Load Dump) Operating Voltage
    • 5V to 6V, 1.5A Output Capability
  • Optimal USB Charging and Communication for Portable Devices
    • User-Programmable Voltage Gain Adjusts Output for Up to 474mΩ Cable Resistance
    • User-Programmable USB Current Limit
    • Supports USB BC1.2 CDP and SDP Modes
    • Compatible with USB On-the-Go Specification and Apple CarPlay®
  • Low-Noise Features Prevent Interference with AM Band and Portable Devices
    • Fixed-Frequency 2.2MHz Operation
    • Fixed-Pulse-Width Modulation (PWM) Option at No Load
    • Spread Spectrum for Electromagnetic Interference (EMI) Reduction
    • SYNC Input/Output for Frequency Parking
  • Robust Design Keeps Vehicle System and Portable Device Safe in an Automotive Environment
    • Short-to-Battery Protection on VBUS, HVD± Pins
    • Advanced Diagnostics through I2C Bus
    • ±15kV Air/±8kV Contact ISO 10605 (330pF, 2kΩ)*
    • ±15kV Air/±8kV Contact IEC
    • 61000-4-2 (150pF, 330Ω)*
    • Overtemperature Protection and Warning
    • -40°C to +125°C Operating Temperature Range

Part details & applications

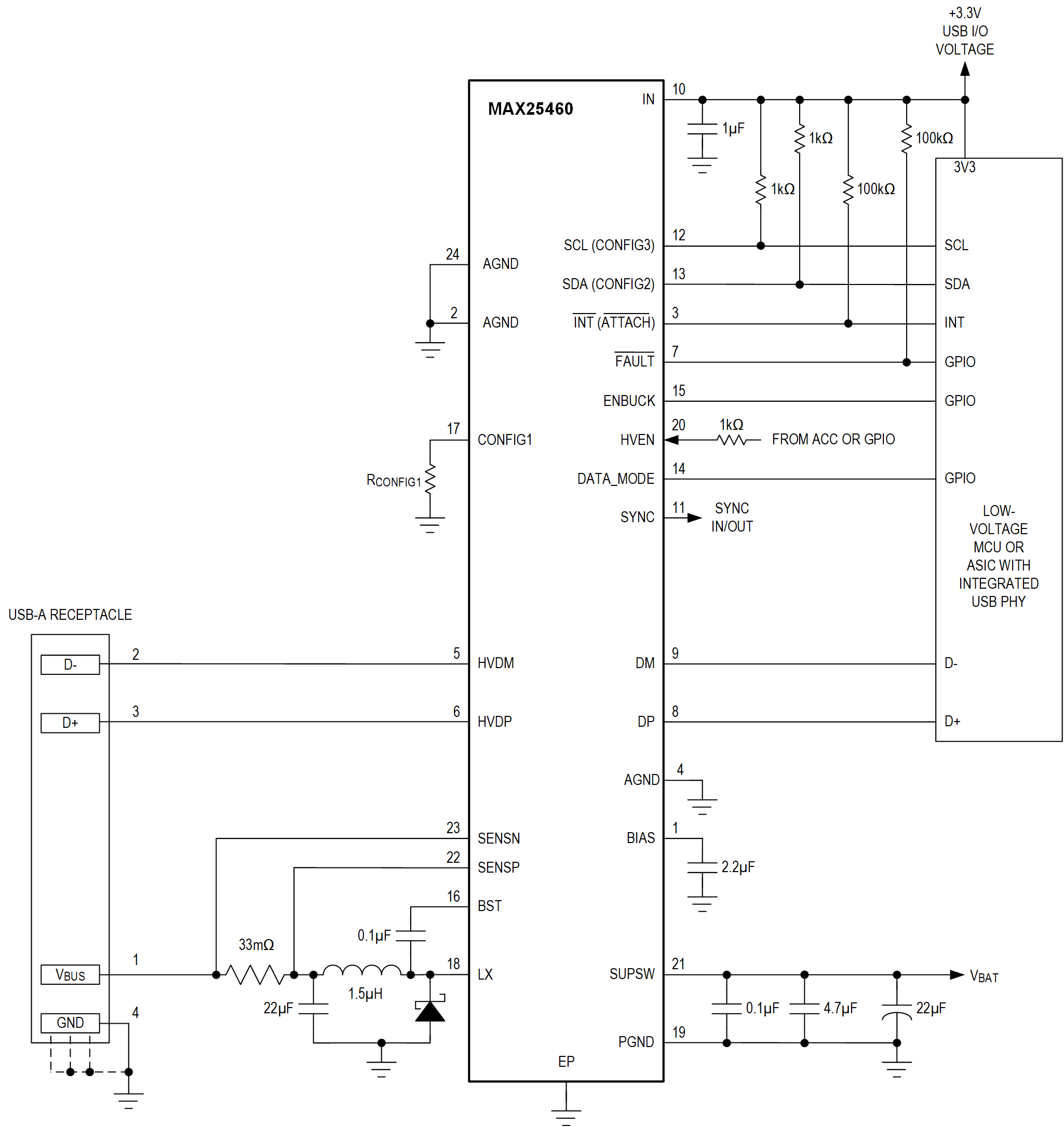
The MAX25460 combines a 1.5A high-efficiency, automotive-grade, step-down converter, a USB BC1.2 host charger emulator, and high-bandwidth USB protection switches for automotive USB 2.0 host applications. The device also includes a USB load current-sense amplifier and a configurable feedback adjustment circuit that provides automatic USB voltage compensation for voltage drops in captive cables often found in automotive applications. The device limits the USB load current using both a fixed internal peak-current threshold and a user-configurable external current-sense USB load threshold.

The MAX25460 is optimized for 2.2MHz operation allowing optimization of efficiency, noise, and board space based on the application requirements. The DC-DC converter integrates a high-side MOSFET and uses a low forward-drop freewheeling Schottky diode for rectification. There is a small low-side n-channel switch to maintain fixed frequency under light loads. The IC includes an external SYNC input/output, and can be configured for spread-spectrum operation. The MAX25460 allows flexible configuration and advanced diagnostic options for both standalone and supervised applications. The device can be programmed using either external programming resistors and/or internal I2C registers through the I2C bus.

The MAX25460 is available in a small 4mm x 5mm 24-pin TQFN package and is designed to minimize required external components and layout area.

APPLICATIONS

  • Automotive Radio and Navigation
  • USB Port for Host and Hub Applications
  • Automotive Connectivity/Telematics

Subscribe to Welllinkchips !
Your Name
* Email
Submit a request