0
LTC2370-16
  • LTC2370-16
  • LTC2370-16
  • LTC2370-16
  • LTC2370-16

LTC2370-16

PRODUCTION

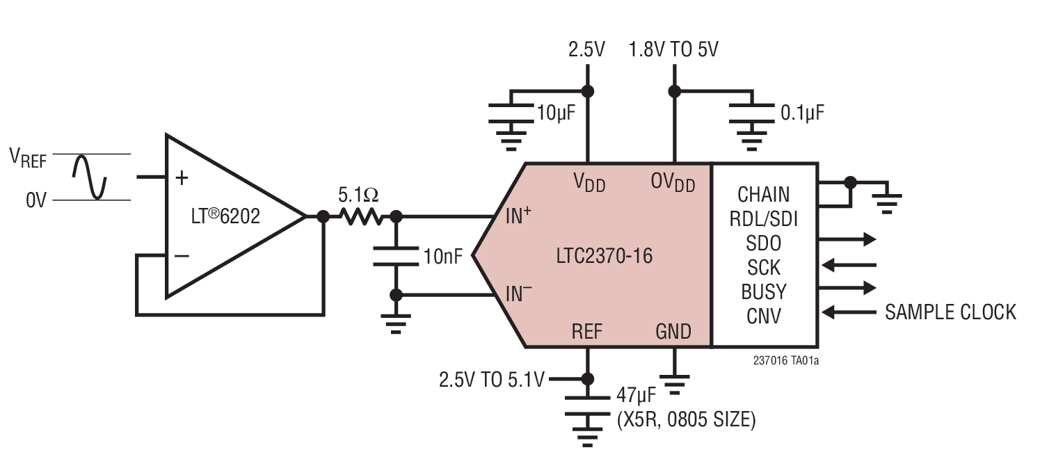
16-Bit, 2Msps, Pseudo- Differential Unipolar SAR ADC with 94dB SNR

Analog Devices LTC2370-16 Product Info

10 February 2026 7

Features

  • 2Msps Throughput Rate
  • ±0.85LSB INL (Max)
  • Guaranteed 16-Bit No Missing Codes
  • Low Power: 19mW at 2Msps, 19μW at 2ksps
  • 94dB SNR (Typ) at fIN = 2kHz
  • –112dB THD (Typ) at fIN = 2kHz
  • Guaranteed Operation to 125°C
  • 2.5V Supply
  • Pseudo-Differential Unipolar Input Range: 0V to VREF
  • VREF Input Range from 2.5V to 5.1V
  • No Pipeline Delay, No Cycle Latency
  • 1.8V to 5V I/O Voltages
  • SPI-Compatible Serial I/O with Daisy-Chain Mode
  • Internal Conversion Clock
  • 16-Lead MSOP and 4mm × 3mm DFN Packages

Part details & applications

The LTC2370-16 is a low noise, low power, high speed 16-bit successive approximation register (SAR) ADC. Operating from a 2.5V supply, the LTC2370-16 has a 0V to VREF pseudo-differential unipolar input range with VREF ranging from 2.5V to 5.1V. The LTC2370-16 consumes only 19mW and achieves ±0.85LSB INL maximum, no missing codes at 16 bits with 94dB SNR.

The LTC2370-16 has a high speed SPI-compatible serial interface that supports 1.8V, 2.5V, 3.3V and 5V logic while also featuring a daisy-chain mode. The fast 2Msps throughput with no cycle latency makes the LTC2370-16 ideally suited for a wide variety of high speed applications. An internal oscillator sets the conversion time, easing external timing considerations. The LTC2370-16 automatically powers down between conversions, leading to reduced power dissipation that scales with the sampling rate.

Applications

  • Medical Imaging
  • High Speed Data Acquisition
  • Portable or Compact Instrumentation
  • Industrial Process Control
  • Low Power Battery-Operated Instrumentation
  • ATE

Subscribe to Welllinkchips !
Your Name
* Email
Submit a request