0
MAX20412
  • MAX20412
  • MAX20412
  • MAX20412

MAX20412

RECOMMENDED FOR NEW DESIGNS

Automotive Low-Voltage 2-Channel Step-Down Controller Dual-Output, High-Efficiency Step-Down Controller for Automotive SOC Core Power

Analog Devices MAX20412 Product Info

10 February 2026 8

Features

  • 2-Channel, High-Efficiency DC-DC Controller in a Small Solution Size
    • 3.0V to 5.5V Operating Supply Voltage
    • OUT1 Supports 60A (with Two Phases)
    • OUT2 Supports 30A
  • High-Precision Regulator for Applications Processors
    • ±2% Output-Voltage Accuracy
    • Differential Remote-Voltage Sensing
    • I2C-Controlled Output Voltage: 0.25V to 1.275V in 6.25mV Steps
    • Excellent Load-Transient Performance
    • Programmable Compensation
  • Low-Noise Features Reduce EMI
    • 2.2MHz or 1.1MHz Operation
    • Spread-Spectrum Option
    • Frequency-Synchronization Input/Output
    • Current-Mode, Forced-PWM, and Skip Operation
  • Robust for the Automotive Environment
    • Individual Enable Inputs and PGOOD Outputs
    • Low RDS(ON) External MOSFETs
    • Overtemperature and Short-Circuit Protection
    • 32-Pin (5mm x 5mm) TQFN with Exposed Pad
    • -40°C to +125°C Operating Temperature Range
    • AEC-Q100 Qualified

Part details & applications

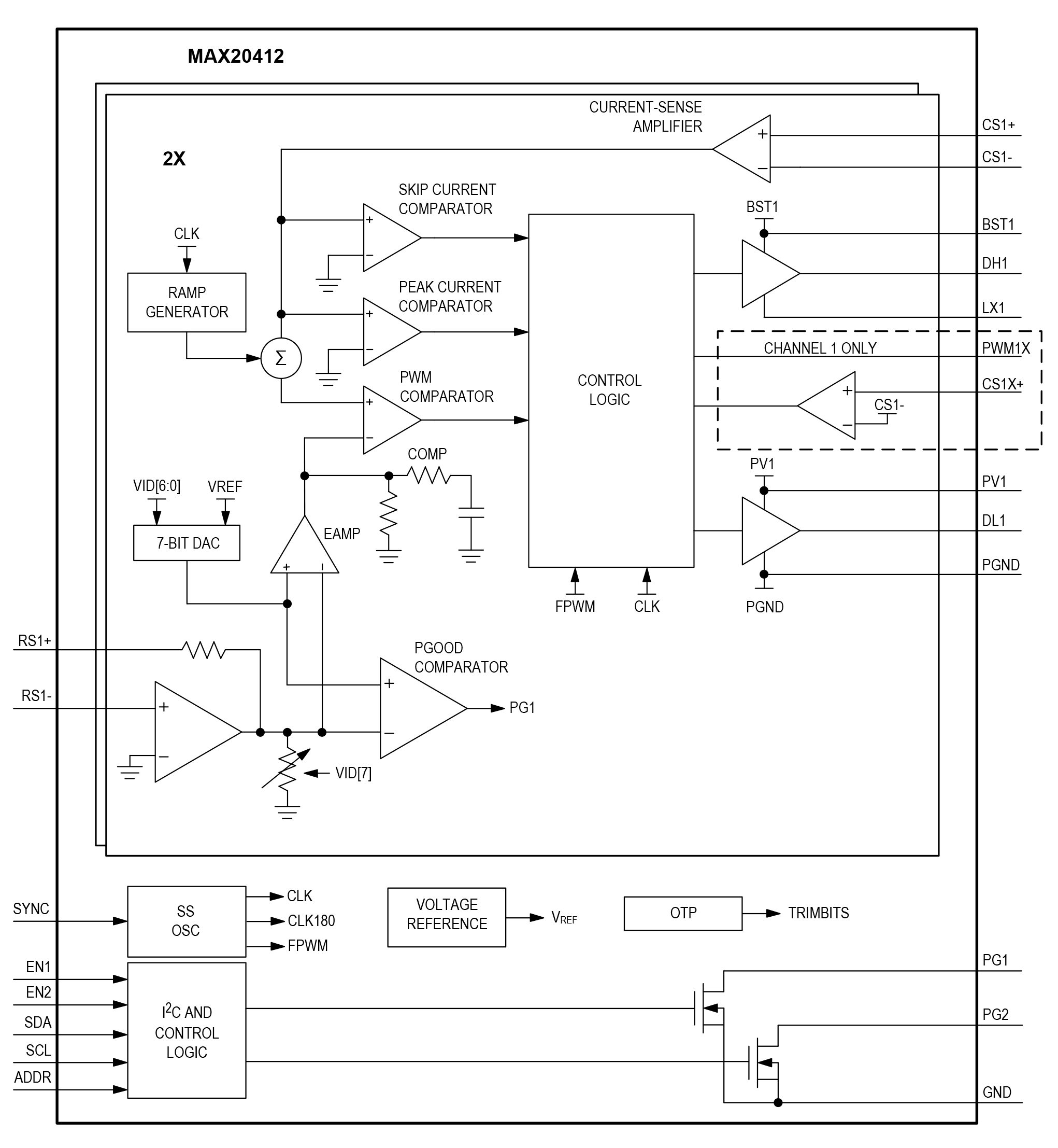
The MAX20412 is a dual-output, high-efficiency, synchronous step-down controller IC that operates with a 3.0V to 5.5V input voltage range and provides a 0.25V to 1.275V output voltage range. The controller architecture enables up to 30A of load current per phase. Channel 1 has an option to operate with two phases to deliver higher load current, making this device ideal for automotive point-of-load (PoL) and post-regulation applications.

The IC achieves ±2% output error over load, line, and temperature ranges. The IC features a 2.2MHz/1.1MHz fixed-frequency PWM mode for better noise immunity and load-transient response, and a pulse-frequency modulation mode (skip) for increased efficiency during light-load operation. The 2.2MHz frequency operation allows the use of all-ceramic capacitors and minimizes external components. The programmable spread-spectrum frequency modulation minimizes radiated electromagnetic emissions. The MAX20412 is offered with factory-preset output voltages (see the Selector Guide for options). The I2C interface supports dynamic voltage adjustment with programmable slew rates for each channel. Other features include programmable soft-start, overcurrent, and overtemperature protections.

Applications

  • Automotive
  • Core Processor System/GPU Power

Subscribe to Welllinkchips !
Your Name
* Email
Submit a request