0
MAX20363
  • MAX20363
  • MAX20363

MAX20363

PRODUCTION

PPG Optimized Buck-Boost Converter with 500mA Output Current and Ultra-Fast DVS Capability

Analog Devices MAX20363 Product Info

10 February 2026 6

Features

  • Extend System Runtime
    • Ultra-fast dynamic voltage scaling with direct AFE control
    • Low, 2.5μA (typical) quiescent current
    • 96% peak efficiency
  • Low, Continuous Noise Profile
    • No post-filtering LDO required in PPG systems
    • No discontinuities across operating voltage range
  • Adaptable Load Transient Response
    • Fast load transient response minimizes AFE settling time
    • FAST mode pre-triggers load response and improves load transient

Part details & applications

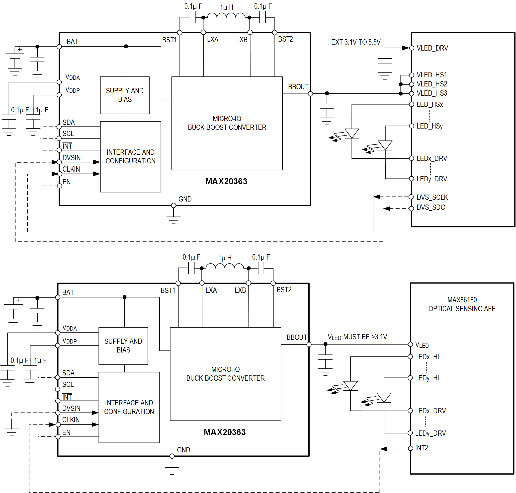
The MAX20363 is an ultra-low quiescent current, non-inverting buck-boost converter with 500mA output current capability. The MAX20363 is intended for applications that require long run times while also demanding bursts of high current. The device employs a proprietary control algorithm that seamlessly transitions between buck, buck-boost, and boost modes, minimizing discontinuities and subharmonics in the output voltage ripple. The low 1.8V input voltage allows the device to be powered from a variety of sources such as lithium ion rechargeable and lithium primary batteries. The MAX20363 is designed to minimize inductance and capacitance requirements to keep the overall solution size as small as possible.

The MAX20363 is optimized for powering optical photoplethysmogram (PPG) systems. The ultra-fast dynamic voltage scaling (DVS) capability allows the device to transition quickly between output voltages and enable in-frame scaling of LED supply voltage. Additionally, the low output ripple and fast, predictable transient response maximizes the signal-to-noise ratio (SNR) of high-performance optical PPG analog-front-end (AFE).

The MAX20363 is available in an 18-bump, 2.43mm x 1.25mm WLP package, with 0.4mm pitch.

APPLICATIONS

  • Biometric Optical Sensing (example, PPG)

Subscribe to Welllinkchips !
Your Name
* Email
Submit a request