0
MAX14521E
  • MAX14521E

MAX14521E

RECOMMENDED FOR NEW DESIGNS

Quad, High-Voltage EL Lamp Driver with I²C Interface Simple and Flexible Multichannel EL Driver with Reduced Audible Noise and High Brightness

Analog Devices MAX14521E Product Info

10 February 2026 5

Features

  • Integration Reduces Required Board Space
    • Integrated ±15kV ESD Protection
    • Low Number of Needed Discrete Components
    • 4mm x 4mm, 24-Pin TQFN Package
  • Enhances Lamp Performance
    • 300VP-P Maximum Output for Highest Brightness
    • ±3% EL Output Frequency Accuracy for Truest EL Panel Color
    • Individually Adjustable Output Brightness Ramping Rate and Individual Dimming Control
    • Audio Input for Dynamic Lighting Effects
    • I²C Interface for Control of Brightness, EL Frequency, Boost Frequency, Shape
  • Eases System Integration
    • Sinusoidal Output for Low Audible Noise
    • High-Frequency Spread-Spectrum Oscillator Reduces EMI/EFI Generation
  • Ideal for Battery-Powered Devices
    • 100nA Shutdown Current
    • 2.7V to 5.5V Input Voltage Range

Part details & applications

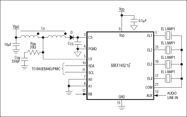
The MAX14521E is a quad-output high-voltage DC-AC converter that drives four electroluminescent (EL) lamps. The device features a 2.7V to 5.5V input range that allows the device to accept a variety of voltage sources such as single-cell lithium-ion (Li+) batteries. The lamp outputs of the device generate up to 300VP-P for maximum lamp brightness. The high-voltage outputs are ESD protected up to ±15kV Human Body Model (HBM), ±6kV Contact Discharge, and ±8kV Air Gap Discharge, as specified in IEC 61000-4-2.

The MAX14521E uses a high-voltage full-bridge output stage to convert the high voltage generated by the boost converter to a sinusoidal output waveform. The MAX14521E utilizes a high-frequency spread-spectrum oscillator to reduce the amount of EMI/EFI generated by the boost-converter circuit.

The MAX14521E provides an I²C interface to set the boost converter and EL output switching frequencies through an 8-bit register and the peak output voltages with 5 bits of resolution. The MAX14521E also provides an adjustable automatic ramping feature that slowly increases or decreases the peak output voltage when a change is made to the output amplitude. The slew rate of the automatic ramp is set with 3 bits of resolution through the I²C interface and it is independent for each channel. The MAX14521E features an audio auxiliary input AUX that modulates the EL output voltage and frequency for dynamic lighting effects.

The MAX14521E is available in a small, 4mm x 4mm, 24-pin TQFN package, and specified over the extended -40°C to +85°C operating temperature range.

Applications

  • Keypad Backlighting
  • LCD Backlighting
  • PDAs
  • Smartphones

Subscribe to Welllinkchips !
Your Name
* Email
Submit a request