0
MAX19996
  • MAX19996

MAX19996

PRODUCTION

SiGe, High-Linearity, High-Gain, 2000MHz to 3000MHz Downconversion Mixer with LO Buffer Lowest Noise, Highest Linearity 2.5GHz SiGe Mixer for WCS, LTE, WiMAX, and MMDS Base Stations, Featuring Superior IP3, NF, and 2RF-2LO Performance

Analog Devices MAX19996 Product Info

10 February 2026 6

Features

  • 2000MHz to 3000MHz RF Frequency Range
  • 1800MHz to 2550MHz LO Frequency Range
  • 50MHz to 500MHz IF Frequency Range
  • 8.7dB Typical Conversion Gain
  • 9.6dB Typical Noise Figure
  • +24.5dBm Typical Input IP3
  • +11dBm Typical Input 1dB Compression Point
  • 69dBc Typical 2RF-2LO Spurious Rejection at PRF = -10dBm
  • Integrated LO Buffer
  • Integrated RF and LO Baluns for Single-Ended Inputs
  • Low -3dBm to +3dBm LO Drive
  • Pin Compatible with the MAX19996A 2300MHz to 3900MHz Mixer
  • Pin Similar with the MAX9993/MAX9994/MAX9996 1700MHz to 2200MHz Mixers and MAX9984/MAX9986 400MHz to 1000MHz Mixers
  • Single +5.0V or +3.3V Supply
  • External Current-Setting Resistors Provide Option for Operating Device in Reduced-Power/Reduced-Performance Mode

Part details & applications

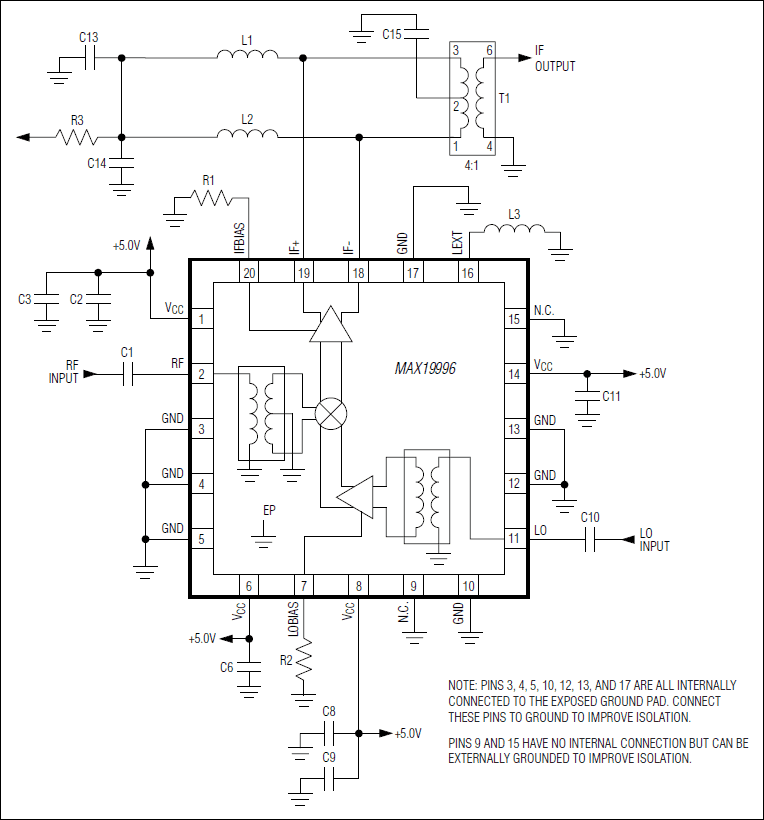
The MAX19996 single, high-linearity downconversion mixer provides 8.7dB conversion gain, +24.5dBm IIP3, and 9.6dB noise figure for 2000MHz to 3000MHz WCS, LTE, WiMAX™, and MMDS wireless infrastructure applications. With an 1800MHz to 2550MHz LO frequency range, this particular mixer is ideal for low-side LO injection receiver architectures. High-side LO injection is supported by the MAX19996A, which is pin-for-pin and functionally compatible with the MAX19996.

In addition to offering excellent linearity and noise performance, the MAX19996 also yields a high level of component integration. This device includes a double-balanced passive mixer core, an IF amplifier, and an LO buffer. On-chip baluns are also integrated to allow for singleended RF and LO inputs. The MAX19996 requires a nominal LO drive of 0dBm, and supply current is typically 230mA at VCC = +5.0V or 149.5mA at VCC = +3.3V.

The MAX19996 is pin compatible with the MAX19996A 2300MHz to 3900MHz mixer. The device is also pin similar with the MAX9984/MAX9986 400MHz to 1000MHz mixers and the MAX9993/MAX9994/MAX9996 1700MHz to 2200MHz mixers, making this entire family of downconverters ideal for applications where a common PCB layout is used for multiple frequency bands.

The MAX19996 is available in a compact 5mm x 5mm, 20-pin thin QFN lead-free package with an exposed pad. Electrical performance is guaranteed over the extended -40°C to +85°C temperature range.

Applications

  • 2.3GHz WCS Base Stations
  • 2.5GHz WiMAX and LTE Base Stations
  • 2.7GHz MMDS Base Stations
  • Fixed Broadband Wireless Access
  • Military Systems
  • Private Mobile Radios
  • Wireless Local Loop

Subscribe to Welllinkchips !
Your Name
* Email
Submit a request