0
LTC2367-18
  • LTC2367-18
  • LTC2367-18
  • LTC2367-18
  • LTC2367-18

LTC2367-18

PRODUCTION

18-Bit, 500ksps, Pseudo-Differential Unipolar SAR ADC with 97dB SNR

Analog Devices LTC2367-18 Product Info

10 February 2026 16

Features

  • 500ksps Throughput Rate
  • ±2.5LSB INL (Max)
  • Guaranteed 18-Bit No Missing Codes
  • Low Power: 6.8mW at 500ksps, 6.8μW at 500sps
  • 97dB SNR (Typ) at fIN = 2kHz
  • –120dB THD (Typ) at fIN = 2kHz
  • Guaranteed Operation to 125°C
  • 2.5V Supply
  • Pseudo-Differential Unipolar Input Range: 0V to VREF
  • VREF Input Range from 2.5V to 5.1V
  • No Pipeline Delay, No Cycle Latency
  • 1.8V to 5V I/O Voltages
  • SPI-Compatible Serial I/O with Daisy-Chain Mode
  • Internal Conversion Clock
  • 16-Lead MSOP and 4mm × 3mm DFN Packages

Part details & applications

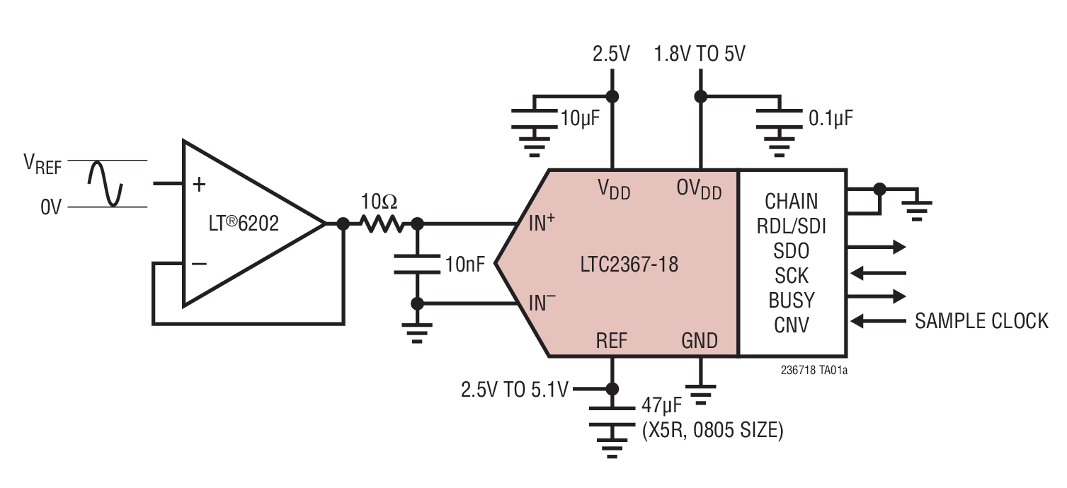
The LTC2367-18 is a low noise, low power, high speed 18-bit successive approximation register (SAR) ADC. Operating from a 2.5V supply, the LTC2367-18 has a 0V to VREF pseudo-differential unipolar input range with VREF ranging from 2.5V to 5.1V. The LTC2367-18 consumes only 6.8mW and achieves ±2.5LSB INL maximum, no missing codes at 18 bits with 97dB SNR.

The LTC2367-18 has a high speed SPI-compatible serial interface that supports 1.8V, 2.5V, 3.3V and 5V logic while also featuring a daisy-chain mode. The fast 500ksps throughput with no cycle latency makes the LTC2367-18 ideally suited for a wide variety of high speed applications. An internal oscillator sets the conversion time, easing external timing considerations. The LTC2367-18 automatically powers down between conversions, leading to reduced power dissipation that scales with the sampling rate.

Applications

  • Medical Imaging
  • High Speed Data Acquisition
  • Portable or Compact Instrumentation
  • Industrial Process Control
  • Low Power Battery-Operated Instrumentation
  • ATE

Subscribe to Welllinkchips !
Your Name
* Email
Submit a request