0
MAX17004
  • MAX17004

MAX17004

LAST TIME BUY

High-Efficiency, Quad Output, Main Power-Supply Controllers for Notebook Computers Fixed-Frequency Operation with Optimal Interleaving Minimizes Input Ripple Current from the Lowest Input Voltages Up to the 26V Maximum Input

Analog Devices MAX17004 Product Info

10 February 2026 10

Features

  • Fixed-Frequency, Current-Mode Control
  • 40/60 Optimal Interleaving
  • Internal BST Switches
  • Internal 5V, 100mA Linear Regulator
  • Auxiliary Linear-Regulator Driver (12V or Adjustable Down to 1V)
  • Dual Mode™ Feedback—3.3V/5V Fixed or Adjustable Output Voltages
  • 200kHz/300kHz/500kHz Switching Frequency
  • Undervoltage and Thermal-Fault Protection
  • Overvoltage-Fault Protection (MAX17003 Only)
  • 6V to 26V Input Range
  • 2V ±0.75% Reference Output
  • Independent Enable Inputs and Power-Good Outputs
  • Soft-Start and Soft-Discharge (Voltage Ramp)
  • 8µA (typ) Shutdown Current

Part details & applications

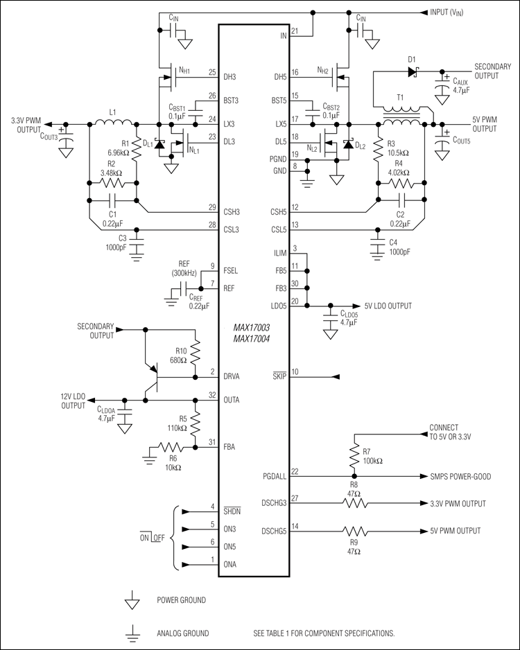
The MAX17003/MAX17004 are dual step-down, switch-mode, power-supply (SMPS) controllers with synchronous rectification, intended for main 5V/3.3V power generation in battery-powered systems. Fixed-frequency operation with optimal interleaving minimizes input ripple current from the lowest input voltages up to the 26V maximum input. Optimal 40/60 interleaving allows the input voltage to go down to 8.3V before duty-cycle overlap occurs, compared to 180° out-of-phase regulators where the duty-cycle overlap occurs when the input drops below 10V.

Output current sensing provides peak current-limit protection, using either an accurate sense resistor or using lossless inductor DCR current sensing. A low-noise mode maintains high light-load efficiency while keeping the switching frequency out of the audible range.

An internal, fixed 5V, 100mA linear regulator powers up the MAX17003/MAX17004 and their gate drivers, as well as external keep-alive loads. When the main PWM regulator is in regulation, an automatic bootstrap switch bypasses the internal linear regulator, providing current up to 200mA. An additional adjustable linear-regulator driver with an external pnp transistor may be used with a secondary winding to provide a 12V supply, or powered directly from the main outputs to generate low-voltage outputs as low as 1V.

Independent enable controls and power-good signals allow flexible power sequencing. Voltage soft-start gradually ramps up the output voltage and reduces inrush current, while soft-discharge gradually decreases the output voltage, preventing negative voltage dips. The MAX17003/MAX17004 feature output undervoltage and thermal-fault protection. The MAX17003 also includes output overvoltage-fault protection.

The MAX17003/MAX17004 are available in a 32-pin, 5mm x 5mm, thin QFN package. The exposed backside pad improves thermal characte

Subscribe to Welllinkchips !
Your Name
* Email
Submit a request