0
MAX16025
  • MAX16025

MAX16025

PRODUCTION

Dual-/Triple-/Quad-Voltage, Capacitor-Adjustable, Sequencing/Supervisory Circuits Dual-/Triple-/Quad-Voltage Sequencers/Monitors with Capacitor-Adjustable Timing

Analog Devices MAX16025 Product Info

10 February 2026 7

Features

  • 2.2V to 28V Operating Voltage Range
  • Fixed Thresholds for 3.3V, 2.5V, 1.8V, 1.5V, and 1.2V Systems
  • 1.5% Accurate Adjustable Threshold Monitors Voltages Down to 0.5V
  • 2.7% Accurate Fixed Thresholds Over Temperature
  • Fixed (140ms min)/Capacitor-Adjustable Delay Timing
  • Independent Open-Drain/Push-Pull Outputs
  • Enable Inputs for Each Monitored Voltage
  • 9 Logic-Selectable Threshold Options
  • Manual Reset and Tolerance Select (5%/10%) Inputs
  • Small, 4mm x 4mm TQFN Package
  • Fully Specified from -40°C to +125°C

Part details & applications

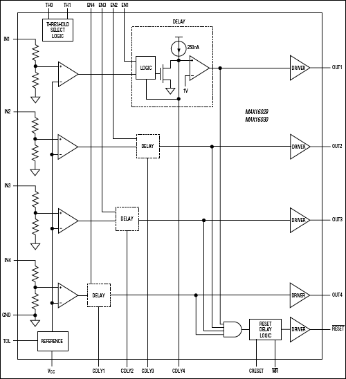
The MAX16025–MAX16030 are dual-/triple-/quad-voltage monitors and sequencers that are offered in a small TQFN package. These devices offer enormous design flexibility as they allow fixed and adjustable thresholds to be selected through logic inputs and provide sequence timing through small external capacitors. These versatile devices are ideal for use in a wide variety of multivoltage applications.

As the voltage at each monitored input exceeds its respective threshold, its corresponding output goes high after a propagation delay or a capacitor-set time delay. When a voltage falls below its threshold, its respective output goes low after a propagation delay. Each detector circuit also includes its own enable input, allowing the power-good outputs to be shut off independently. The independent output for each detector is available with push-pull or open-drain configuration with the open-drain version capable of supporting voltages up to 28V, thereby allowing them to interface to shutdown and enable inputs of various DC-DC regulators. Each detector can operate independently as four separate supervisory circuits or can be daisy-chained to provide controlled power-supply sequencing.

The MAX16025–MAX16030 also include a reset function that deasserts only after all of the independently monitored voltages exceed their threshold. The reset timeout is internally fixed or can be adjusted externally. These devices are offered in a 4mm x 4mm TQFN package and are fully specified from -40°C to +125°C.

Applications

  • DC-DC Supplies
  • Multivoltage Systems
  • Networking/Telecommunication Equipment
  • Servers/Workstations
  • Storage Systems

Subscribe to Welllinkchips !
Your Name
* Email
Submit a request