0
ADV7614
  • ADV7614

ADV7614

PRODUCTION

12-bit Deep Color Quad HDMI Receiver

Analog Devices ADV7614 Product Info

10 February 2026 7

Features

  • 225 MHz HDMI receiver
  • HDMI repeater support
  • High-bandwidth digital content protection (HDCP 1.3)
  • Programmable/adaptive equalizer for cable lengths up to 30 meters
  • High-bandwidth digital content protection (HDCP 1.3)
  • Internal EDID RAM
  • EDID with HDMI cable power support
  • See datasheet for additional features

Part details & applications

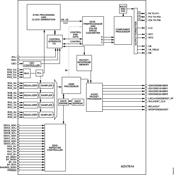
The ADV7614 is a high quality, single-chip integrated 4:1 multiplexed High-Definition Multimedia Interface (HDMI™) receiver. The ADV7614 incorporates a quad input HDMI receiver that supports all HDTV formats up to 1080p and displays resolutions up to UXGA (1600 × 1200 at 60 Hz). The reception of encrypted video is possible with the inclusion of HDCP. The HDMI receiver also includes programmable/adaptive equalization that ensures robust operation of the interface with cable lengths up to 30 meters.

The ADV7614 provides complete audio support for eight channels of I2S audio, Sony/Philips digital interface format (S/PDIF) digital audio output, and super audio CD (SACD) and compressed SACD support with direct stream digital (DSD) and direct stream transfer (DST) output interfaces, respectively.

The HDMI receiver also supports high bit rate (HBR) audio streaming to allow recovery (and downstream processing) of compressed lossless audio formats, including Dolby® TrueHD and DTS®-HD master audio or DTS-HD high resolution audio. In addition, it also provides an advanced audio functionality, such as a mute controller that prevents audible extraneous noise in the audio output.

Fabricated in an advanced CMOS process, the ADV7614 is provided in a space-saving, 260-ball, 15 mm × 15 mm, CSP_BGA surface-mount, RoHS-compliant package, and is specified over the −40°C to +70°C temperature range.

APPLICATIONS

  • Advanced TVs
    AVR video receivers
    PDP HDTVs
    LCD TVs (HDTV ready)
    OLED HDTVs
  • LCD/DLP front projectors
  • HDMI switcher

Subscribe to Welllinkchips !
Your Name
* Email
Submit a request