0
MAX1540A
  • MAX1540A

MAX1540A

PRODUCTION

Dual Step-Down Controllers with Saturation Protection, Dynamic Output, and Linear Regulator Dual, Quick-PWM™, Step-Down Controllers have Saturation Protection and Dynamic Output Voltages

Analog Devices MAX1540A Product Info

10 February 2026 7

Features

  • Inductor-Saturation Protection
  • Accurate Differential Current-Sense Inputs
  • Dual Ultra-High-Efficiency Quick-PWMs with 100ns Load-Step Response
  • MAX1540A
    • 1.8V/1.2V Fixed or 0.7V to 5.5V Adjustable Output (OUT1)
    • 2.5V/1.5V Fixed or 0.7V to 5.5V Adjustable Output (OUT2)
    • Fixed 5V, 100mA Linear Regulator
  • MAX1541
    • External Reference Input (REFIN1)
    • Dynamically Selectable Output Voltage—0.7V to 5.5V (OUT1)
    • 2.5V/1.8V Fixed or 0.7V to 5.5V Adjustable Output (OUT2)
    • Optional Power-Good and Fault Blanking During Transitions
    • Fixed 5V or Adjustable 100mA Linear Regulator
  • 1% VOUT Accuracy over Line and Load
  • 2V to 28V Battery Input Range
  • 170kHz to 620kHz Selectable Switching Frequency
  • Overvoltage/Undervoltage-Protection Option
  • 1.7ms Digital Soft-Start
  • Drives Large Synchronous-Rectifier FETs
  • 2V ±0.7% Reference Output
  • Separate Power-Good Window Comparators

Part details & applications

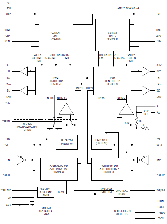
The MAX1540A/MAX1541 dual pulse-width modulation (PWM) controllers provide the high efficiency, excellent transient response, and high DC-output accuracy necessary for stepping down high-voltage batteries to generate low-voltage chipset and RAM power supplies in notebook computers.

The Maxim proprietary Quick-PWM™ controllers are free running, constant on-time with input feed forward. This configuration provides ultra-fast transient response, wide input-output (I/O) differential range, low supply current, and tight load-regulation characteristics. The controllers can accurately sense the inductor current across an external current-sense resistor in series with the output to ensure reliable overload and inductor saturation protection. Alternatively, the controllers can use the synchronous rectifier itself or lossless inductor current-sensing methods to provide overload protection with lower power dissipation.

For a single step-down PWM controller with inductor-saturation protection, external-reference input voltage, and dynamically selectable output voltages, refer to the MAX1992/MAX1993 data sheet.

Applications

  • 0.7V to 5.5V Supply Rails
  • Active Termination Buses (MAX1541)
  • Core/IO Supplies as Low as 0.7V
  • CPU/Chipset/GPU with Dynamic Voltage Cores
  • DDR Memory Termination (MAX1541)
  • Notebook Computers
  • Supplies (MAX1541)

Subscribe to Welllinkchips !
Your Name
* Email
Submit a request