0
LTC1408-12
  • LTC1408-12
  • LTC1408-12

LTC1408-12

PRODUCTION

6 Channel, 12-Bit, 600ksps Simultaneous Sampling ADC with Shutdown

Analog Devices LTC1408-12 Product Info

10 February 2026 7

Features

  • 600ksps ADC with 6 Simultaneously Sampled Differential Inputs
  • 100ksps Throughput per Channel
  • 72dB SINAD
  • Low Power Dissipation: 15mW
  • 3V Single Supply Operation
  • 2.5V Internal Bandgap Reference, Can be Overdriven with External Reference
  • 3-Wire SPI-Compatible Serial Interface
  • 0V to 2.5V Unipolar, or ±1.25V Bipolar Differential Input Range
  • SLEEP (6µW) Shutdown Mode
  • NAP (3.3mW) Shutdown Mode
  • Internal Conversion Triggered by CONV
  • 83dB Common Mode Rejection
  • Tiny 32-Pin (5mm × 5mm) QFN Package

Part details & applications

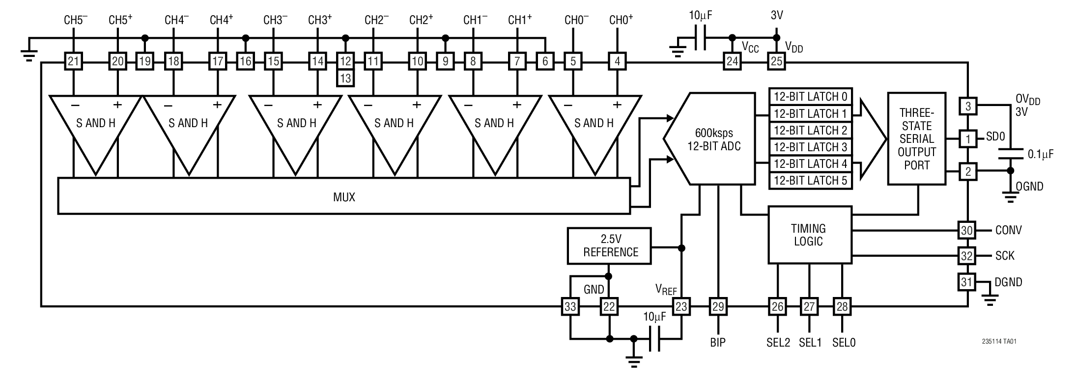
The LTC1408-12 is a 12-bit, 600ksps ADC with six simultaneously sampled differential inputs. The device draws only 5mA from a single 3V supply, and comes in a tiny 32 pin (5mm × 5mm) QFN package. A SLEEP shutdown feature further reduces power consumption to 6µW. The combination of low power and tiny package makes the LTC1408-12 suitable for portable applications.

The LTC1408-12 contains six separate differential inputs that are sampled simultaneously on the rising edge of the CONV signal. These six sampled inputs are then converted at a rate of 100ksps per channel.

The 83dB common mode rejection allows users to eliminate ground loops and common mode noise by measuring signals differentially from the source.

The device converts 0V to 2.5V unipolar inputs differentially, or ±1.25V bipolar inputs also differentially, depending on the state of the BIP pin. Any analog input may swing rail-to-rail as long as the differential input range is maintained.

The conversion sequence can be abbreviated to convert fewer than six channels, depending on the logic state of the SEL2, SEL1 and SEL0 inputs.

The serial interface sends out the six conversion results in 96 clocks for compatibility with standard serial interfaces.

Applications

  • Multiphase Power Measurement
  • Multiphase Motor Control
  • Data Acquisition Systems
  • Uninterruptable Power Supplies

Subscribe to Welllinkchips !
Your Name
* Email
Submit a request