0
MAX15158A
  • MAX15158A

MAX15158A

PRODUCTION

High-Voltage Multiphase Boost Controller Multiphase Boost Controller Designed for High Power Boost/Inverting Buck-Boost Configurations up to Quad - Phases

Analog Devices MAX15158A Product Info

10 February 2026 16

Features

  • Wide Operating Range
    • 8V to 76V Input Voltage Range for Booost Configuration and -8V to -76V Input Voltage Range for Inverting-Buck-Boost Configuration
    • 3.3V to 60V Output Voltage Range on the Top of Input Voltage
    • 120kHz to 1MHz Switching Frequency Range
    • -40°C to +125°C Temperature Range
    • Single/Dual/Quad-Phase Operation
    • Active Phase Current Balance Control
  • Integration Reduces Design Footprint
    • Internal LDO for Bias Supply Generation
    • Multiphase Multiple Controller Synchronization and Interleave
    • Output Voltage Sense Level Shifter
  • Robust Fault Protection Improves Quality and Reliability
    • Adjustable Input Undervoltage Lockout
    • Adjustable Cycle-by-Cycle Peak Current Limit and Fast Overcurrent Protection
    • Selectable Feedback Overvoltage Protection
    • Thermal Shutdown
  • Flexible and Simple System Design
    • Adjustable Slope Compensation
    • Low-Side MOSFET Gate Monitoring for Accurate Current Sensing
    • Discontinuous-Conduction-Mode Operation is Supported When Using a Diode in Place of the High-Side MOSFET
  • Small 5mm x 5mm TQFN Package, 0.5mm Pitch

Part details & applications

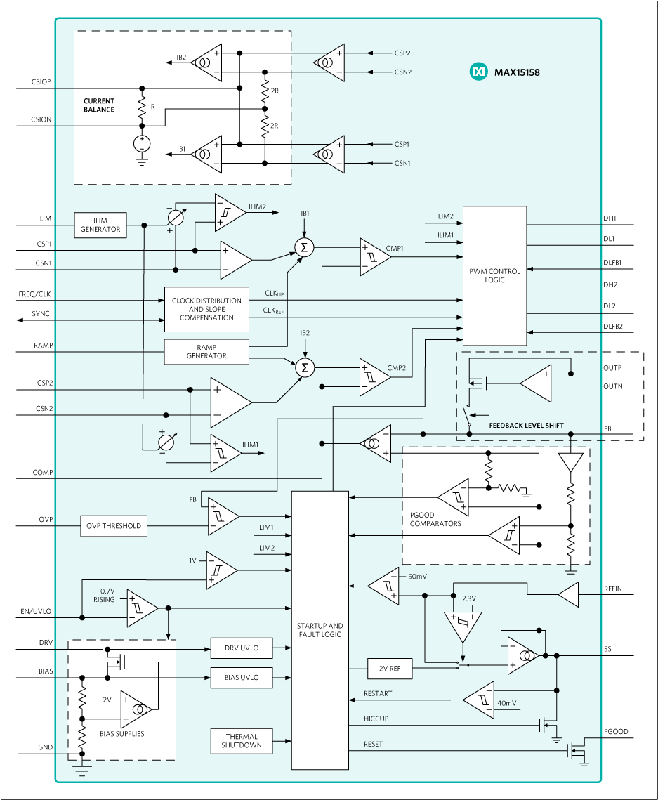
MAX15158/MAX15158A is a high-voltage multiphase boost controller designed to support up to two MOSFET drivers and four external MOSFETs in single-phase or dual-phase boost/inverting-buck-boost configurations. Two devices can be stacked up for quad-phase operation. The output voltage of MAX15158 can be dynamically set through the 1V to 2.2V reference input (REFIN) for modular design support. For MAX15158A the REFIN pin is removed, and the internal 2.0V reference voltage is selected by default.

The switching frequency is controlled either through an external resistor setting the internal oscillator or by synchronizing the regulator to an external clock. The device is designed to support 120kHz to 1MHz switching frequencies. The controller has a dedicated enable/input undervoltage-lockout (EN/UVLO) pin to configure for flexible power sequencing.

MAX15158/MAX15158A has a dedicated RAMP pin to adjust internal slope compensation. The device features adjustable overcurrent protection. The device incorporates current sense amplifiers to accurately measure the current of each phase across external sense resistors to implement accurate phase current sharing. The controller is also protected against output overvoltage, input undervoltage and thermal shutdown.

The device is available in 5mm x 5mm, 32-pin TQFN package and supports -40°C to 125°C junction temperature range.

Applications

  • Automotive
  • Communication
  • Industrial

Subscribe to Welllinkchips !
Your Name
* Email
Submit a request