0
LTC2345-16
  • LTC2345-16
  • LTC2345-16
  • LTC2345-16

LTC2345-16

PRODUCTION

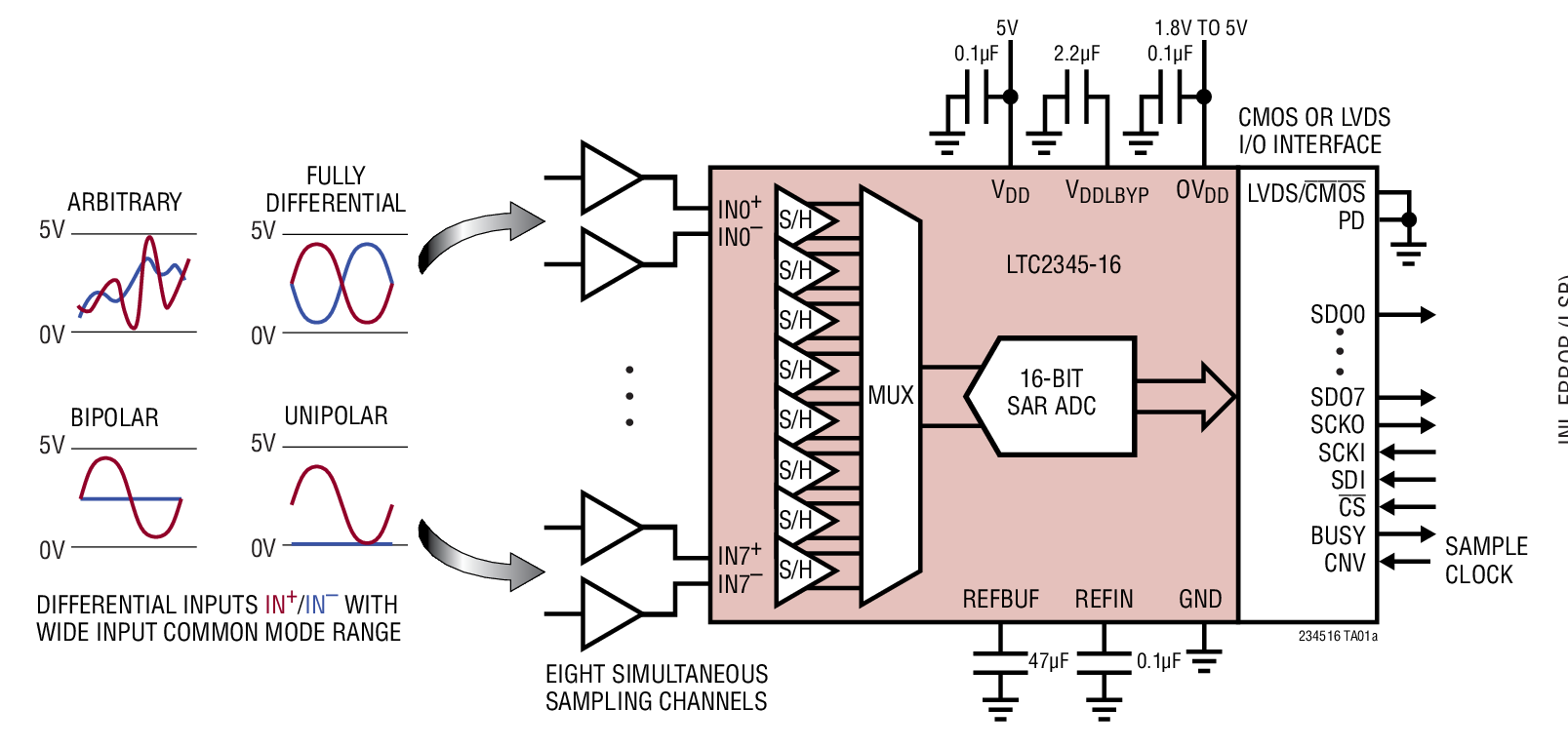
Octal, 16-Bit, 200ksps Differential SoftSpan ADC with Wide Input Common Mode Range

Analog Devices LTC2345-16 Product Info

10 February 2026 7

Features

  • 200ksps per Channel Throughput
  • Eight Simultaneous Sampling Channels
  • ±1.25LSB INL (Maximum)
  • Guaranteed 16-Bit, No Missing Codes
  • Differential, Wide Common Mode Range Inputs
  • Per-Channel SoftSpan Input Ranges:
    • ±4.096V, 0V to 4.096V, ±2.048V, 0V to 2.048V
    • ±5V, 0V to 5V, ±2.5V, 0V to 2.5V
  • 91dB Single-Conversion SNR (Typical)
  • −113dB THD (Typical) at fIN = 2kHz
  • 102dB CMRR (Typical) at fIN = 200Hz
  • Rail-to-Rail Input Overdrive Tolerance
  • Guaranteed Operation to 125°C
  • Integrated Reference and Buffer (4.096V)
  • SPI CMOS (1.8V to 5V) and LVDS Serial I/O
  • Internal Conversion Clock, No Cycle Latency
  • 81mW Power Dissipation (Typical)
  • 48-Lead (7mm x 7mm) QFN Package

Part details & applications

The LTC2345-16 is a 16-bit, low noise 8-channel simultaneous sampling successive approximation register (SAR) ADC with differential, wide common mode range inputs. Operating from a 5V low voltage supply and using the internal reference and buffer, each channel of this SoftSpanTM ADC can be independently configured on a conversion-by-conversion basis to accept ±4.096, 0V to 4.096V, ±2.048V, or 0V to 2.048V signals. Individual channels may also be disabled to increase throughput on the remaining channels.

The wide input common mode range and 102dB CMRR of the LTC2345-16 analog inputs allow the ADC to directly digitize a variety of signals, simplifying signal chain design. This input signal flexibility, combined with ±1.25LSB INL, no missing codes at 16 bits, and 91dB SNR, makes the LTC2345-16 an ideal choice for many applications requiring wide dynamic range.

The LTC2345-16 supports pin-selectable SPI CMOS (1.8V to 5V) and LVDS serial interfaces. Between one and eight lanes of data output may be employed in CMOS mode, allowing the user to optimize bus width and throughput.

Applications

  • Programmable Logic Controllers
  • Industrial Process Control
  • Medical Imaging
  • High Speed Data Acquisition

Subscribe to Welllinkchips !
Your Name
* Email
Submit a request