0
MAX14824
  • MAX14824

MAX14824

PRODUCTION

IO-Link Master Transceiver Easily Scalable to 16 Channels with Auto Wake-Up Polarity Generation

Analog Devices MAX14824 Product Info

10 February 2026 5

Features

  • IO-Link v.1.0 and v.1.1 Physical Layer Compliant
  • Supports COM1, COM2, and COM3 Data Rates
  • Push-Pull, High-Side, or Low-Side Outputs
  • 300mA C/Q Output Drive
  • 1µF C/Q Load Drive Capability
  • Generates 500mA Wake-Up Pulse
  • Automatic Wake-Up Pulse Polarity
  • Auxiliary Digital Input
  • 5V and 3.3V Linear Regulators
  • SPI Interface for Configuration and Monitoring
  • SPI-Based Chip Addressing
  • EMI Emission Control Through Slew-Controlled Driver
  • Reverse-Polarity Protection on DI
  • Short-Circuit Protection on C/Q
  • High Temperature Warning and Thermal Shutdown
  • Extensive Fault Monitoring and Reporting
  • -40°C to +105°C Operating Temperature Range
  • 4mm x 4mm TQFN Package

Part details & applications

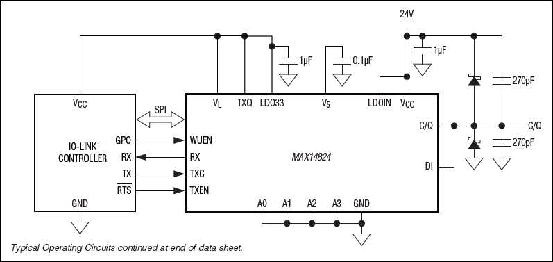
The MAX14824 is an IO-Link® master interface that integrates an IO-Link physical layer transceiver with an auxiliary digital input and two linear regulators. High port count IO-Link master applications are supported through in-band SPI addressing, and the 12MHz SPI interface minimizes host controller access times. In-band addressing and selectable SPI addresses enable cascading up to 16 devices.
The device supports all the IO-Link data rates and features slew-rate-controlled drivers to reduce EMI. The driver is guaranteed to drive up to 300mA (min) load currents. Internal wake-up circuitry automatically determines the correct wake-up polarity, allowing for the use of simple UARTs for wake-up pulse generation.
The MAX14824 is available in a 4mm x 4mm, 24-pin TQFN package with exposed pad, and operates over the extended -40°C to +105°C temperature range.

Applications

  • 24V Digital Inputs and Outputs
  • High Port Count IO-Link Masters
  • IO-Link Master Controllers
  • PLC Fieldbus Gateways

Subscribe to Welllinkchips !
Your Name
* Email
Submit a request