0
MAX13413E
  • MAX13413E

MAX13413E

PRODUCTION

RS-485 Transceiver with Integrated Low-Dropout Regulator and AutoDirection Control Industry's First Transceiver Integrating a Low-Dropout Regulator and AutoDirection, Eliminating the Need for a Control Channel

Analog Devices MAX13413E Product Info

10 February 2026 6

Features

  • Wide +6V to +28V Input Supply Range
  • +5V Output Supplies Up to 20mA to External Circuitry
  • Internal LDO
  • Low 65µA (typ) Shutdown Supply Current
  • Extended ESD Protection
    • ±15kV Human Body Model (MAX13412E/MAX13413E)
    • ±14kV Human Body Model (MAX13410E/MAX13411E)
  • 1/8-Unit Load, Allowing Up to 256 Transceivers on the Bus
  • -40°C to +85°C Operating Temperature Range
  • Fail-Safe
  • Slew-Rate Limited and Full-Speed Versions
  • Up to 16Mbps Data Rate on Full-Speed Versions

Part details & applications

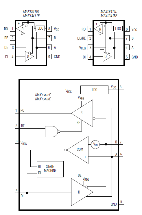
The MAX13410E–MAX13415E are half-duplex RS-485-/RS-422-compatible transceivers optimized for isolated applications. These devices feature an internal low-dropout regulator (LDO), one driver, and one receiver. The internal LDO allows the part to operate from an unregulated power supply of up to 28V. The AutoDirection feature reduces the number of optical isolators needed in isolated applications. Other features include enhanced ESD protection, fail-safe circuitry, slew-rate limiting, and full-speed operation.

The MAX13410E–MAX13415E internal LDO generates a 5V ±10% power supply that is used to power its internal circuitry. The MAX13412E–MAX13415E bring the 5V to an output VREG that allows the user to power additional external circuitry with up to 20mA to further reduce external components. The MAX13410E/MAX13411E do not have a 5V output and come in industry-compatible pinouts. This allows easy replacement in existing designs.

The MAX13410E–MAX13415E feature a 1/8-unit load receiver input impedance, allowing up to 256 transceivers on the bus. All driver outputs are ESD protected using the Human Body Model. These devices also include fail-safe circuitry (MAX13410E/MAX13411E/MAX13414E/MAX13415E only), guaranteeing a logic-high receiver output when the receiver inputs are open or shorted. The receiver outputs a logic-high when the transmitter on the terminated bus is disabled (high impedance).

The MAX13412E/MAX13413E feature Maxim's proprietary AutoDirection control. This architecture eliminates the need for the DE and active-low RE control signals. In isolated applications, this reduces the cost and size of the system by reducing the number of optical isolators required.

The MAX13410E/MAX13412E/MAX13414E feature reduced slew-rate drivers that minimize EMI and reduce reflections caused by improperly terminated cables, allowing

Subscribe to Welllinkchips !
Your Name
* Email
Submit a request