0
MAX4359
  • MAX4359

MAX4359

PRODUCTION

Low-Cost 4x4, 8x4, 8x8 Video Crosspoint Switches

Analog Devices MAX4359 Product Info

10 February 2026 10

Features

  • Eight (MAX4456) or Four (MAX4359/MAX4360) Internal Buffers
    • 250V/µs Slew Rate
    • Three-State Output Capability
    • Power-Saving Disable Feature
    • 65MHz -3dB Bandwidth
  • Routes Any Input Channel to Any Output Channel
  • Serial or Parallel Digital Interface
  • Expandable for Larger Switch Matrices
  • 80dB All-Channel Off-Isolation at 5MHz
  • 70dB Single-Channel Crosstalk
  • Straight-Through Pinouts Simplify Layout
  • Low-Cost Pin-Compatible Alternative to MAX456 (MAX4456)

Part details & applications

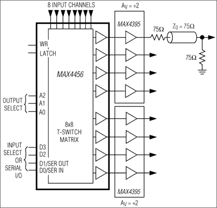
The MAX4359/MAX4360/MAX4456 low-cost video crosspoint switches are designed to reduce component count, board space, design time, and system cost. Each contains a matrix of T-switches that connect any of their four (MAX4359) or eight (MAX4360/MAX4456) video inputs to any of their buffered outputs, in any combination. Each matrix output is buffered by an internal, high-speed (250V/µs), unity-gain amplifier that is capable of driving 400Ω and 20pF at 2.6VP-P. For applications requiring increased drive capability, buffer the MAX4359/MAX4360/MAX4456 outputs with the MAX4395 quad, operational amplifier.

The MAX4456 has a digitally controlled 8x8 switch matrix and is a low-cost pin-for-pin compatible alternative to the popular MAX456. The MAX4359/MAX4360 are similar to the MAX4456, with the 8x8 switch matrix replaced by a 4x4 (MAX4359) or an 8x4 (MAX4360) switch matrix.

Three-state output capability and internal, programmable active loads make it feasible to parallel multiple devices to form larger switch arrays. The inputs and outputs are on opposite sides, and a quiet power supply or digital input line separates each channel, which reduces crosstalk to -70dB at 5MHz. For applications demanding better DC specifications, see the MAX456 8x8 video crosspoint switch.

Applications

  • High-Speed Signal Routing
  • Security Systems
  • Video Conferencing
  • Video Test Equipment
  • Video-on-Demand Systems

Subscribe to Welllinkchips !
Your Name
* Email
Submit a request