0
MAX1261
  • MAX1261

MAX1261

PRODUCTION

250ksps, +3V, 8-/4-Channel, 12-Bit ADCs with +2.5V Reference and Parallel Interface

Analog Devices MAX1261 Product Info

10 February 2026 11

Features

  • 12-Bit Resolution, ±0.5 LSB Linearity
  • +3V Single Operation
  • User-Adjustable Logic Level (+1.8V to +3.6V)
  • Internal +2.5V Reference
  • Software-Configurable, Analog Input Multiplexer
    • 8-Channel Single Ended/
    • 4-Channel Pseudo-Differential (MAX1261)
    • 4-Channel Single Ended/
    • 2-Channel Pseudo-Differential (MAX1263)
  • Software-Configurable, Unipolar/Bipolar Inputs
  • Low Power
    • 1.9mA (250ksps)
    • 1.0mA (100ksps)
    • 400µA (10ksps)
    • 2µA (Shutdown)
  • Internal 3MHz Full-Power Bandwidth Track/Hold
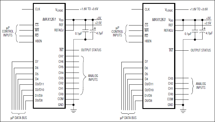
  • Byte-Wide Parallel (8 + 4) Interface
  • Small Footprint
    • 28-Pin QSOP (MAX1261)
    • 24-Pin QSOP (MAX1263)

Part details & applications

The MAX1261/MAX1263 low-power, 12-bit analog-to-digital converters (ADCs) feature a successive-approximation ADC, automatic power-down, fast wake-up (2µs), an on-chip clock, +2.5V internal reference, and a high-speed, byte-wide parallel interface. They operate with a single +3V analog supply and feature a VLOGIC pin that allows them to interface directly with a +1.8V to +5.5V digital supply.

Power consumption is only 5.7mW (VDD = VLOGIC) at the maximum sampling rate of 250ksps. Two software-selectable power-down modes enable the MAX1261/MAX1263 to be shut down between conversions; accessing the parallel interface returns them to normal operation. Powering down between conversions can cut supply current to under 10µA at reduced sampling rates.

Both devices offer software-configurable analog inputs for unipolar/bipolar and single-ended/pseudo-differential operation. In single-ended mode, the MAX1261 has eight input channels and the MAX1263 has four input channels (four and two input channels, respectively, when in pseudo-differential mode).

Excellent dynamic performance and low power, combined with ease of use and small package size, make these converters ideal for battery-powered and data-acquisition applications or for other circuits with demanding power consumption and space requirements.

The MAX1261 is available in a 28-pin QSOP package, while the MAX1263 is available in a 24-pin QSOP. For pin-compatible +5V, 12-bit versions, refer to the MAX1262/MAX1264 data sheet.

Applications

  • Data Acquisition Systems
  • Data Logging
  • Energy Management
  • Industrial Controls Systems
  • Patient Monitoring
  • Touch Screens

Subscribe to Welllinkchips !
Your Name
* Email
Submit a request