0
MAX11080
  • MAX11080

MAX11080

NOT RECOMMENDED FOR NEW DESIGNS

12-Channel, High-Voltage Battery-Pack Fault Monitors Ultra-Low-Power Overvoltage/Undervoltage 12-Cell Monitors

Analog Devices MAX11080 Product Info

10 February 2026 9

Features

  • Up to 12-Cell Li+ Battery Voltage Fault Detection
  • Operation from 6.0V to 72V
  • Pin-Selectable Overvoltage Threshold from +3.3V to +4.8V in 100mV Increments
    • ±25mV Overvoltage Detection Accuracy
  • Pin-Selectable Undervoltage Threshold from +1.6V to +2.8V in 200mV Increments
    • ±100mV Undervoltage-Detection Accuracy
  • Over/Undervoltage-Threshold Detection Hysteresis
    • MAX11080: 300mV
    • MAX11081: 37.5mV
  • Programmable Delay Time of Alarm Detection from 3.0ms to 3.32s with an External Capacitor
  • Daisy-Chained Alarm and Shutdown Functions with Heartbeat Status Signal
    • Up to 31 Devices Can Be Connected
  • Ultra-Low-Power Dissipation
    • Operating-Mode Current Drain: 80µA
    • Shutdown-Mode Current: 2µA
  • Wide Operating Temperature Range from -40°C to +105°C (AEC-Q100, Type 2)
  • 9.7mm x 4.4mm, 38-Pin TSSOP Package
  • Lead(Pb) Free and RoHS Compliant

Part details & applications

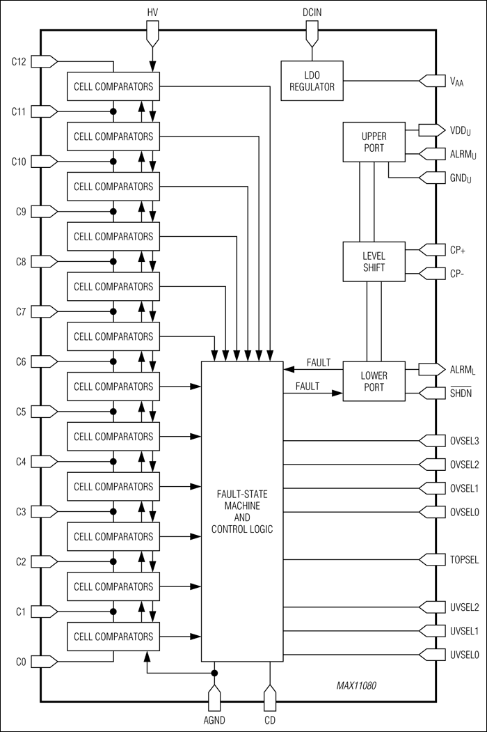
The MAX11080/MAX11081 are a battery-pack fault-monitor ICs capable of monitoring up to 12 lithium-ion (Li+) battery cells. These devices are designed to provide an overvoltage or undervoltage fault indication when any of the cells cross the user-selectable threshold for longer than the set program-delay interval. The overvoltage levels are pin selectable from +3.3V to +4.8V in 100mV increments, and have a guaranteed accuracy of ±25mV over the entire temperature range. The undervoltage level is also user selectable from +1.6V to +2.8V in 200mV increments. These levels are guaranteed to ±100mV over the entire temperature range. Undervoltage detection can be disabled as one of the user-configuration options.

The MAX11080/MAX11081 have a built-in level-shifter that allows up to 31 MAX11080/MAX11081 devices to be connected in a daisy-chain fashion to reduce the number of interface signals needed for large stacks of series batteries. Each cell is monitored differentially and compared to the overvoltage and undervoltage thresholds. When any of the cells exceed this threshold for longer than the set program delay interval, the MAX11080/MAX11081 inhibit the heartbeat signal from being passed down the daisy-chain. Built-in comparator hysteresis prevents threshold chattering.

The MAX11080/MAX11081 are designed to be the perfect complement to the MAX11068 high-voltage measurement IC for redundant fault-monitoring applications. These devices are offered in a 9.7mm x 4.4mm, 38-pin TSSOP package with 0.5mm pin spacing. The package is lead-free and RoHS compliant with an extended operating temperature range of -40°C to +105°C.

Applications

  • Electric Bikes
  • Electric Vehicles
  • High-Power Battery Backup
  • High-Voltage Multicell-Series-Stacked Battery Systems
  • Hybrid Electric Vehicles
  • Solar Cell Battery Backup
  • Super-Cap Batt

Subscribe to Welllinkchips !
Your Name
* Email
Submit a request