0
LT1537
  • LT1537
  • LT1537
  • LT1537

LT1537

PRODUCTION

Advanced Low Power 5V RS232 Transceiver with Small Capacitors

Analog Devices LT1537 Product Info

10 February 2026 4

Features

  • Low Cost
  • Uses Small Capacitors: 0.1µF, 0.2µF
  • 1µA Supply Current in Shutdown
  • 120kBaud Operation for RL = 3k, CL = 2500pF
  • 250kBaud Operation for RL = 3k, CL = 1000pF
  • CMOS Comparable Low Power: 40mW
  • Operates from a Single 5V Supply
  • Easy PC Layout: Flow-through Architecture
  • Rugged Bipolar Design
  • Outputs Assume a High Impedance State When Off or Powered Down
  • Improved Protection: RS232 I/O Lines Can Be Forced to ±25V Without Damage
  • Output Overvoltage Does Not Force Current Back into Supplies
  • Absolutely No Latch-Up
  • Available in SO Package

Part details & applications

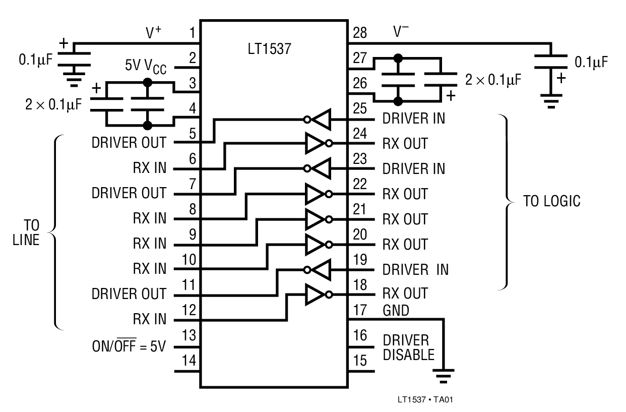
The LT1537 is a three-driver, five-receiver RS232 transceiver, pin compatible with the LT1137A, offering performance improvements and two shutdown modes. The LT1537µs charge pump is designed for extended compliance and can deliver over 35mA of load current. Supply current is typically 8mA, competitive with similar CMOS devices. An advanced driver output stage operates up to 250kbaud while driving heavy capacitive loads.

The LT1537 is fully compliant with all RS232 specifications. Special bipolar construction techniques protect the drivers and receivers beyond the fault conditions stipulated for RS232. Driver outputs and receiver inputs can be shorted to ±25V without damaging the device or the power supply generator. In addition, the RS232 I/O pins are resilient to multiple ±5kV ESD strikes.

The transceiver has two shutdown modes. One mode disables the drivers and the charge pump, the other shuts down all circuitry. While shut down, the drivers and receivers assume high impedance output states.

Applications

  • Notebook Computers
  • Palmtop Computers

Subscribe to Welllinkchips !
Your Name
* Email
Submit a request