0
LTM9013
  • LTM9013
  • LTM9013
  • LTM9013

LTM9013

LAST TIME BUY

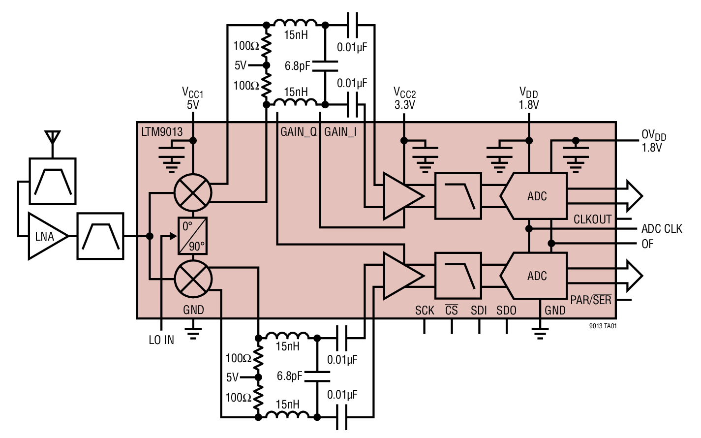
300MHz Wideband Receiver

Analog Devices LTM9013 Product Info

10 February 2026 14

Features

  • Integrated I/Q Demodulator, IF Amplifier, and Dual 14-Bit, 310Msps High Speed ADC
  • External Highpass Filter Allows Bandwidth Adjustment
  • 300MHz Lowpass Filter for Each Channel
  • RF Input Frequency Range: 0.7GHz to 4GHz
  • 50Ω Single-Ended RF Port
  • 50Ω Differential LO Port
  • Frequency Flatness: 1.3dB Typical
  • 66dBc IM3 Level at –7dBFS
  • 59dB SNR at –1dBFS
  • Parallel DDR LVDS Outputs
  • Clock Duty Cycle Stabilizer
  • Low Power: 2.6W
  • Shutdown and Nap Modes
  • 15mm × 15mm BGA Package

Part details & applications

The LTM9013 is a 300MHz wideband, low IF receiver. Utilizing an integrated system in a package (SiP) technology, it is a μModule® (micromodule) receiver that includes a dual high speed 14-bit A/D converter, lowpass filter, differential gain stages and a quadrature demodulator.

The LTM9013 is perfect for wideband I/Q receiver applications, with AC performance that includes 59dB SNR and 1.3dB frequency flatness from DC to 300MHz. A highpass filter or simple AC coupling are used external to the device for design flexiblity. The integrated on-chip broadband transformers provide a 50Ω single-ended interface at the RF input.

A 5V supply powers the demodulator and a 3.3V supply powers the IF amplifiers for minimal distortion. A 1.8V supply allows low power ADC operation. A separate output supply allows the DDR LVDS outputs to drive 1.8V logic. An optional multiplexer allows both channels to share a digital output bus. An optional clock duty cycle stabilizer allows high performance at full speed for a wide range of clock duty cycles.

Applications

  • Telecommunications
  • Wideband, Low IF Receivers
  • Digital Predistortion Receivers
  • Cellular Base Stations

Subscribe to Welllinkchips !
Your Name
* Email
Submit a request