0
MAX31911
  • MAX31911

MAX31911

PRODUCTION

Industrial, Octal, Digital Input Translator/Serializer Industry's Most Robust Low-Power Industrial Digital Input Serializer

Analog Devices MAX31911 Product Info

10 February 2026 5

Features

  • Very Low Power and Heat Dissipation
    • Low Quiescent Current (1.4mA typ)
    • Highly Accurate and Stable Input Current Limiters, Adjustable from 0.5mA to 6mA
  • High Integration Reduces BOM Count, Board Size, and System Cost
    • Eight High-Voltage Input Channels (36V max)
    • On-Chip 8-1 Serialization with SPI Interface
    • On-Chip 5V Regulator
    • On-Chip Overtemperature Indicator
    • On-Chip Field Supply Voltage Monitor
    • Integrated Debounce Filters, Selectable from 0 to 3ms
  • Robust Features and Performance for Industrial Environments
    • Multibit CRC Code Generation and Transmission for Error Detection and More Reliable Data Transmission
    • High ESD Immunity on All Field Input Pins
  • Accepts Industry Standard Input Types
    • Configurable for IEC 61131-2 Input Types 1, 2, and 3
  • Flexible Power Supply Capability Enables Usage in 5V, 12V, 24V, and Higher Voltage Systems
    • Wide Operating Field Supply Range of 7V to 36V
    • Can Be Powered From the Logic-Side Using a 5V Supply

Part details & applications

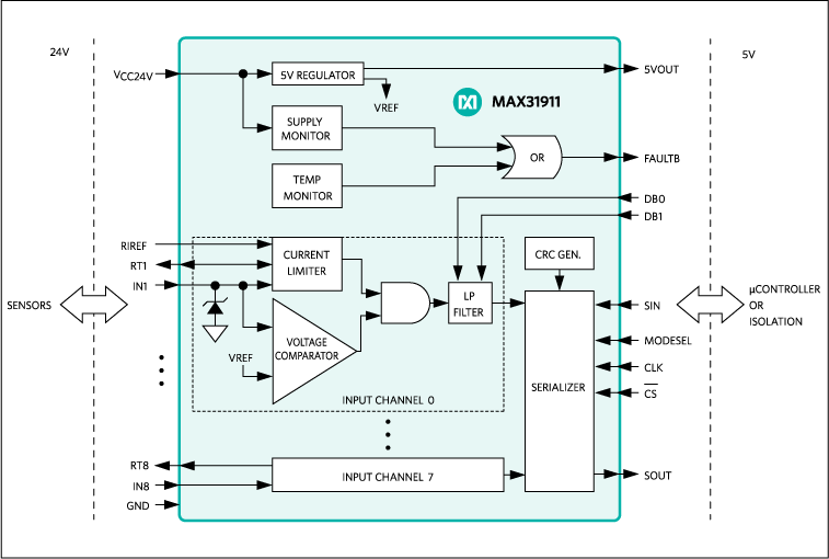
The MAX31911 industrial interface serializer translates, conditions, and serializes the 24V digital output of sensors and switches used in industrial, process, and building automation to 5V CMOS-compatible signals required by microcontrollers. It provides the front-end interface circuit of a programmable logic controller (PLC) digital input module.

The device features integrated current limiting, lowpass filtering, and channel serialization. Input current limiting allows a significant reduction in power consumed from the field voltage supply as compared to traditional discrete resistor-divider implementations. Selectable on-chip lowpass filters allow flexible debouncing and filtering of sensor outputs based on the application.

On-chip serialization allows a drastic reduction in the number of optocouplers used for isolation. The device serializer is stackable so that any number of input channels can be serialized and output through only one SPI-compatible port. This reduces the number of optocouplers needed to only three, regardless of the number of input channels.

For enhanced robustness with respect to high-frequency noise and fast electrical transients, a multibit CRC code is generated and transmitted through the SPI port for each 8 bits of data. The on-chip 5V voltage regulator can be used to power external optocouplers, digital isolators, or other external 5V circuitry.

For ultra-low-power applications, Maxim Integrated offers a pin-compatible version of this device, the MAX31910. The MAX31910 uses patent-pending circuit techniques to achieve further reduction of power beyond what is possible by input current limiting alone.

The MAX31912 and MAX31913 versions include energy-less LED drivers while maintaining pin compatibility.

Applications

  • Digital Input Modules for PLCs
  • Industrial, Building, and Process Automat

Subscribe to Welllinkchips !
Your Name
* Email
Submit a request