0
LTC6943
  • LTC6943
  • LTC6943
  • LTC6943

LTC6943

NOT RECOMMENDED FOR NEW DESIGNS

Micropower, Dual Precision Instrumentation Switched Capacitor Building Block

Analog Devices LTC6943 Product Info

10 February 2026 4

Features

  • Low Power, IS = 60µA(Max)
  • Robust, Latch Up Proof
  • Instrumentation Front End with 120dB CMRR
  • Precise, Charge-Balanced Switching
  • Operates from 5V to 18V
  • Internal or External Clock
  • Operates up to 5MHz Clock Rate
  • Two Independent Sections with One Clock
  • Tiny SSOP-16 Package

Part details & applications

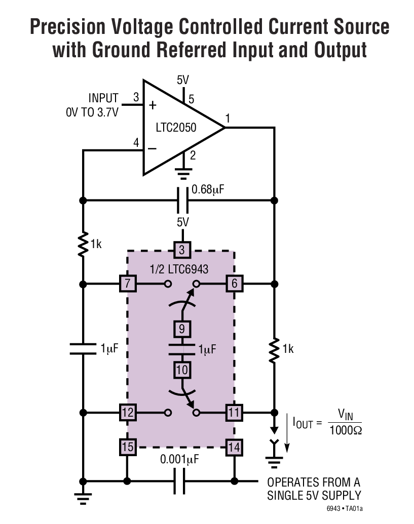
The LTC6943 is a monolithic, charge-balanced, dual switched capacitor instrumentation building block. A pair of switches alternately connects an external capacitor to an input voltage and then connects the charged capacitor across an output port. The internal switches have a break-before-make action. An internal clock is provided and its frequency can be adjusted with an external capacitor. The LTC6943 can also be driven with an external CMOS clock.

The LTC6943, when used with low clock frequencies, provides ultra precision DC functions without requiring precise external components. Such functions are differential voltage to single-ended conversion, voltage inversion, voltage multiplication and division by 2, 3, 4, 5, etc.

The LTC6943 is manufactured using our enhanced LTCMOS silicon gate process, and it is functionally compatible with the LTC1043.

Applications

  • Ultra Precision Voltage Inverters, Multipliers and Dividers
  • V–F and F–V Converters
  • Sample-and-Hold
  • Current Sources
  • Precision Instrumentation Amplifiers

Subscribe to Welllinkchips !
Your Name
* Email
Submit a request