0
LTC4290
  • LTC4290
  • LTC4290
  • LTC4290
  • LTC4290

LTC4290

PRODUCTION

8-Port PoE/PoE+/LTPoE++ PSE Analog Controller

Analog Devices LTC4290 Product Info

10 February 2026 5

Features

  • Eight Independent PSE Channels
  • Compliant with IEEE 802.3at Type 1 and 2
  • Chipset Provides Electrical Isolation
    • Reduced BOM Cost
    • Eliminates up to 6 High Speed Opto-Couplers
    • Eliminates Isolated 3.3V Power Supply
  • Low Power Dissipation
    • 0.25Ω Sense Resistance Per Channel
  • Very High Reliability 4-Point PD Detection
    • 2-Point Forced Voltage
    • 2-Point Forced Current
  • VEE and VPORT Monitoring
  • 1 Second Rolling IPORT Averaging
  • Supports 2-Pair and 4-Pair Output Power
  • 1MHz I2C Compatible Serial Control Interface
  • Available In Three Power Grades
    • A-Grade – LTPoE++ 38.7W to 90W
    • B-Grade – PoE+ 25.5W
    • C-Grade – PoE 13W
  • Available In a 40-Lead 6mm × 6mm (LTC4290) and 24-Lead 4mm × 4mm (LTC4271) QFN Package

Part details & applications

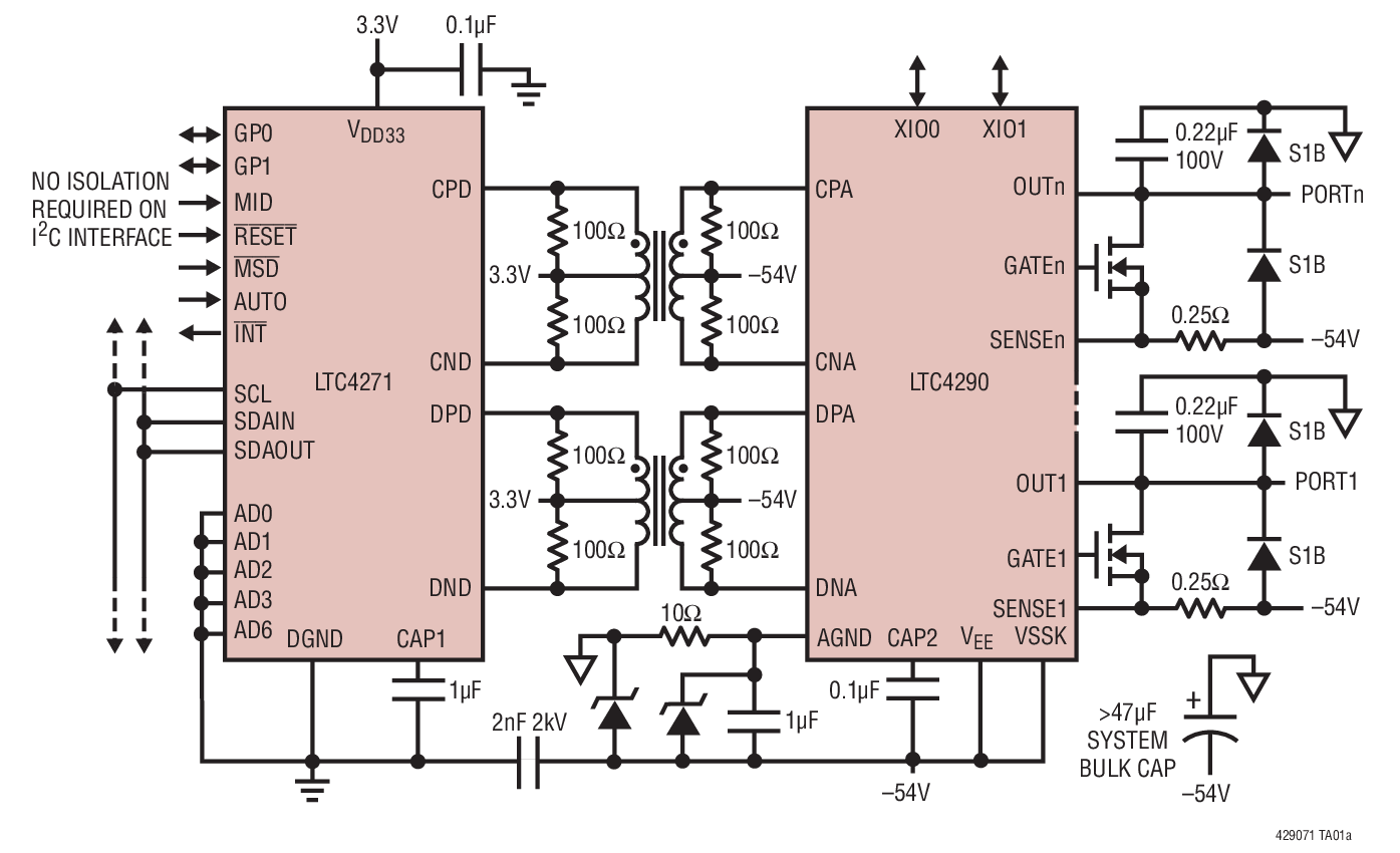
The LTC4290/LTC4271 chipset is an 8-port power sourcing equipment (PSE) controller designed for use in IEEE 802.3at Type 1 and Type 2 (high power) compliant Power over Ethernet (PoE) systems. Transformer-isolated communication protocol replaces expensive opto-couplers and complex isolated 3.3V supply resulting in significant BOM cost savings. The LTC4290/LTC4271 chipset delivers lowest-in-industry heat dissipation by utilizing low-RDS(ON) external MOSFETs and 0.25Ω sense resistors.

Advanced power management features include per-port 12-bit current monitoring ADCs, DAC-programmable current limit, and versatile fast shut-down of preselected ports. Advanced power management host software is available under a no-cost license. PD discovery uses a proprietary dual-mode 4-point detection mechanism ensuring excellent immunity from false PD detection. Midspan PSEs are supported with 2-event classification and a 2 second backoff timer. The LTC4290/LTC4271 includes an I2C serial interface operable up to 1MHz.

The LTC4290/LTC4271 is available in multiple power grades allowing delivered PD power up to 90W.

Applications

  • PoE PSE Switches/Routers
  • PoE PSE Midspans

Subscribe to Welllinkchips !
Your Name
* Email
Submit a request