0
LTC3882-1
  • LTC3882-1
  • LTC3882-1
  • LTC3882-1

LTC3882-1

RECOMMENDED FOR NEW DESIGNS

Dual Output PolyPhase Step-Down DC/DC Voltage Mode Controller with Digital Power System Management

Analog Devices LTC3882-1 Product Info

10 February 2026 8

Features

  • PMBus/I2C Compliant Serial Interface
    • Monitor Voltage, Current, Temperature and Faults
    • Program Voltage, Soft-Start/Stop, Sequencing, Margining, AVP and UV/OV/OC Limits
  • 3V ≤ VINSNS ≤ 38V, 0.5V ≤ VOUT ≤ 5.25V
  • ±0.5% Output Voltage Error
  • Programmable PWM Frequency or External Clock Synchronization from 250kHz to 1.25MHz (2.5MHz-2)
  • Accurate PolyPhase® Current Sharing
  • Internal EEPROM with Fault Logging and ECC
  • IC Supply Range: 3V to 13.2V
  • Resistor or Inductor DCR Current Sensing
  • Power Good Output Voltage Monitor
  • Optional Resistor Programming for Key Parameters
  • 40-Pin (6mm × 6mm) QFN Package
  • AEC-Q100 Qualified for Automotive Applications

Part details & applications

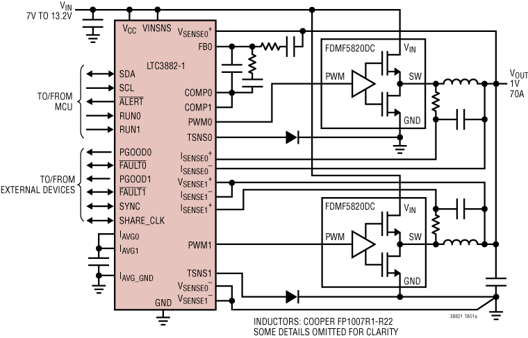
The LTC3882-1/LTC3882-2 is a dual, PolyPhase DC/DC synchronous step-down switching regulator controller with PMBus compliant serial interface. It uses a constant frequency, leading-edge modulation, voltage mode architecture for excellent transient response and output regulation. Each PWM channel can produce output voltages from 0.1V to 5.25V using a wide range of 3.3V compatible power stages, including power blocks, DrMOS or discrete FET drivers. Up to four LTC3882-1 devices can operate in parallel for 2-, 3-, 4-, 6- or 8-phase operation.

System configuration and monitoring is supported by the LTpowerPlay software tool. The LTC3882-1/LTC3882-2 serial interface can read back input voltage, output voltage and current, temperature and fault status. Most operating parameters can be set via the digital interface or stored in internal EEPROM for use at power up. Switching frequency and phase, output voltage and device address can also be set using external configuration resistors.

PWM Enable Output TG/BG Control HW Write Protect Dedicated PGOOD Differential VOUT Sense Max PWM Frequency
LTC3882 Yes Yes Ye