0
LTC3785-1
  • LTC3785-1
  • LTC3785-1
  • LTC3785-1

LTC3785-1

PRODUCTION

10V, High Efficiency, Buck-Boost Controller with Power Good

Analog Devices LTC3785-1 Product Info

10 February 2026 12

Features

  • Single Inductor Architecture Allows VIN Above, Below or Equal to VOUT
  • Power Good Output Indicator
  • 2.7V to 10V Input and Output Range
  • Up to 96% Efficiency
  • Up to 10A of Output Current
  • All N-Channel MOSFETs, No RSENSE
  • True Output Disconnect During Shutdown
  • Programmable Current Limit and Soft-Start
  • Optional Short-Circuit Shutdown Timer
  • Output Overvoltage and Undervoltage Protection
  • Programmable Frequency: 100kHz to 1MHz
  • Selectable Burst Mode® Operation
  • Available in 24-Lead (4mm × 4mm) Exposed Pad QFN Package

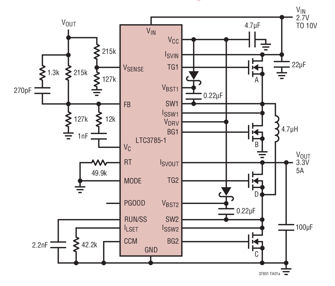
The LTC3785-1 is a high power synchronous buck-boost controller that drives all N-channel power MOSFETs from input voltages above, below and equal to the output voltage. With an input range of 2.7V to 10V, the LTC3785-1 is well suited for a wide variety of single or dual cell Li-Ion or multi-cell alkaline/NiMH applications.

The operating frequency can be programmed from 100kHz to 1MHz. The soft-start time and current limit are also programmable. The soft-start capacitor doubles as the fault timer which can program the IC to latch off or recycle after a determined off time. Burst Mode operation is user controlled and can be enabled by driving the MODE pin high. The LTC3785-1 includes a Power Good output that indicates when the output voltage is within 7.5% of its designed setpoint.

Protection features include foldback current l

Part details & applications

The LTC3785-1 is a high power synchronous buck-boost controller that drives all N-channel power MOSFETs from input voltages above, below and equal to the output voltage. With an input range of 2.7V to 10V, the LTC3785-1 is well suited for a wide variety of single or dual cell Li-Ion or multi-cell alkaline/NiMH applications.

The operating frequency can be programmed from 100kHz to 1MHz. The soft-start time and current limit are also programmable. The soft-start capacitor doubles as the fault timer which can program the IC to latch off or recycle after a determined off time. Burst Mode operation is user controlled and can be enabled by driving the MODE pin high. The LTC3785-1 includes a Power Good output that indicates when the output voltage is within 7.5% of its designed setpoint.

Protection features include foldback current limit, short-circuit and overvoltage protection.

Power Good
LTC3785 No
LTC3785-1 Yes

Applications

  • Palmtop Computers
  • Handheld Instruments
  • Wireless Modems
  • Cellular Telephones