0
MAX26240
  • MAX26240
  • MAX26240

MAX26240

RECOMMENDED FOR NEW DESIGNS

4.5V to 36V, 6A Buck-Boost Converters

Analog Devices MAX26240 Product Info

10 February 2026 8

Features

  • Meets Stringent Quality and Reliability Requirements
    • 4.5V to 36V Operating Input Voltage Range Allows Operation in Wide Input Conditions
    • Tolerates Input Transients up to 42V
    • EN Pin Compatible up to 42V
    • 8.2A/10A Typical Input Current Limit
    • Fixed and Adjustable Output Voltage Options
    • -40°C to +125°C Temperature Range
  • High Integration and Thermally Enhanced Package Reduces BOM Cost and Board Space
    • Integrated FETs H-Bridge Architecture
    • 2.1MHz/400kHz Switching Frequency Options
    • Phase-Locked Loop (PLL) Frequency Synchronization
    • Thermally Enhanced, 22-Pin FC2QFN Package
  • Low Quiescent Current Meets Stringent Current Requirements
    • 95μA Quiescent Current in Standby Mode
    • 10μA Maximum Shutdown Current
  • Reduced EMI Emissions at Switching Frequency
    • Spread-Spectrum Function Enabled/Disabled by SPS Pin
  • Protection Features Improve System Reliability
    • Supply Undervoltage Lockout and Thermal Protection
    • Output PGOOD Indicator, Overvoltage, and Short-Circuit Protection

Part details & applications

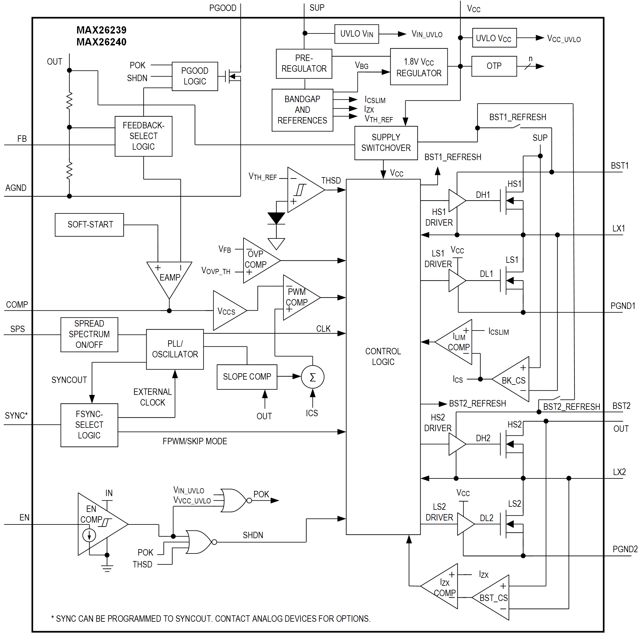
The MAX26239/MAX26240 are small, synchronous, buck-boost converters with integrated H-bridge switches. These ICs provide a fixed-output regulation voltage and an externally adjustable output voltage in the 3V to 20V range with an input voltage above, below, or equal to the output regulation voltage. The IC has typical 8.2A and 10A input current-limit options and can support continuous load currents up to 6A depending on the input-to-output voltage ratio and operating frequency. It also has a wide input voltage range of 4.5V to 36V.

The MAX26239/MAX26240 have two switching frequency options: 2.1MHz and 400kHz. The 2.1MHz high switching frequency allows small external components and reduced output ripple and guarantees no AM band interference, while the 400kHz switching frequency offers better efficiency and relieves the power consumption concern. The SYNC input allows three operation modes: skip mode with ultra-low quiescent current, forced fixed-frequency PWM operation, and synchronization to an external clock. The IC also includes spread-spectrum frequency modulation to minimize EMI interference.

The MAX26239/MAX26240 feature a power-OK (POK) indicator, undervoltage lockout, overvoltage protection, cycle-by-cycle current limit, and thermal shutdown. The ICs are available in a small, 4.25mm x 4.25mm x 0.75mm, 22-pin FC2QFN package.

APPLICATIONS

  • Point-of-Load Power Supplies
  • 12V/24V Industrial Applications
  • Telecom, Servers, and Networking Equipment

Subscribe to Welllinkchips !
Your Name
* Email
Submit a request