0
LTC3734
  • LTC3734
  • LTC3734

LTC3734

PRODUCTION

Single-Phase, High Efficiency DC/DC Controller for Intel Mobile CPUs

Analog Devices LTC3734 Product Info

10 February 2026 11

Features

  • Wide Input Voltage Range: 4V to 30V
  • ±1% Output Voltage Accuracy
  • 6-Bit IMVP-IV VID Code: VOUT = 0.7V to 1.708V
  • Intel Compatible Power Saving Mode (PSIB)
  • Power Good Output with Adaptive Masking
  • Lossless Voltage Positioning
  • Resistor Programmable VOUT at Boot-Up and Deeper Sleep State
  • Resistor Programmable Deep Sleep Offset
  • Programmable Fixed Frequency: 210kHz to 550kHz
  • Adjustable Soft-Start Current Ramping
  • Foldback Output Current Limit
  • Short-Circuit Shutdown Timer with Defeat Option
  • Overvoltage Protection
  • Available in 32-Lead 5mm × 5mm × 0.8mm (Profile) QFN Package

Part details & applications

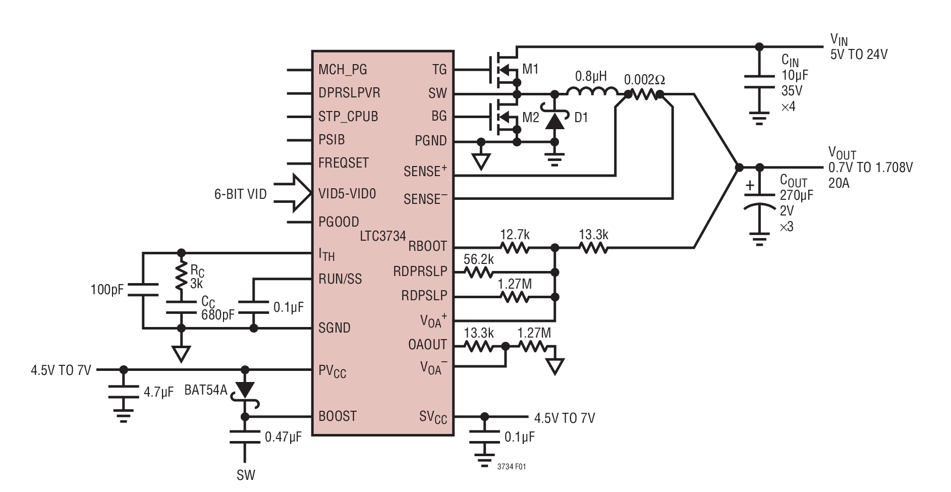
The LTC3734 is a single-phase synchronous step-down switching regulator controller that drives all N-channel power MOSFETs in a constant frequency architecture. The output voltage is programmable by six VID bits during normal operation and by external resistors during initial boot-up and deeper sleep state. The LTC3734 drives its output stage at frequencies up to 550kHz. Powerful onchip gate drivers eliminate the need for external gate driver ICs, thus simplifying the design.

An Intel compatible PSIB input is provided to select between two modes of operation. Fully enhanced synchronous mode achieves a very small output ripple and very fast transient response while power saving mode realizes very high efficiency. OPTI-LOOP® compensation allows the transient response to be optimized for a wide range of output capacitance and ESR values.

The LTC3734 is available in a small 5mm × 5mm QFN package. For 2-phase applications refer to the LTC3735.

Applications

  • Mobile and Desktop Computers
  • Internet Servers

Subscribe to Welllinkchips !
Your Name
* Email
Submit a request